Nissan 350z Radio Wiring Diagram

350z Bose Stock Radio Wiring Help My350z Com Nissan 350z And

2008 Nissan 350z Stereo Wiring Diagram Diagram Base Website Wiring

2006 350z Bose Full Wiring Diagram My350z Com Nissan 350z And

Wiring Color Code Guide For 350z My350z Com Nissan 350z And

851b 2007 Dodge Nitro Radio Wiring Diagram Wiring Library

S14 Nissan Stereo Wiring Diagram Diagram Base Website Wiring

2003 Nissan 350z Audio Visual System Section Av Pdf Manual

Nissan 350z Wiring Diagram Wiring Diagram

How To Nissan 350z Stereo Wiring Diagram My Pro Street

280zx Aftermarket Radio Install Wiring Diagram Zdriver Com

Nissan 350z Wiring Diagram Wiring Diagram

04e3 Nissan 350z 2008 Wiring Diagram Wiring Resources

F652b Nissan 350z Stereo Wiring Harness Wiring Library

223a1 2004 Nissan 350z Radio Wiring Diagram Wiring Library

Wiring Color Code Guide For 350z My350z Com Nissan 350z And

Wiring Color Code Guide For 350z My350z Com Nissan 350z And

2015 Nissan Radio Wiring Diagram Diagram Base Website Wiring

How To Nissan 350z Stereo Wiring Diagram My Pro Street

F652b Nissan 350z Stereo Wiring Harness Wiring Library

1996 Nissan Maxima Car Stereo Wiring Diagram Diagram Base Website

1996 Nissan Maxima Car Stereo Wiring Diagram Diagram Base Website

Nissan Rogue Radio Wiring Diagram Free Picture Diagram Base

223a1 2004 Nissan 350z Radio Wiring Diagram Wiring Library

2015 Nissan Radio Wiring Diagram Diagram Base Website Wiring

1

I Have A 2006 Nissan Xterra With A Basic Am Fm Cd Audio System

Wiring Color Code Guide For 350z My350z Com Nissan 350z And

5eeea80 2008 Nissan 350z Fuse Box Diagram Wiring Library

2015 Nissan Radio Wiring Diagram Diagram Base Website Wiring

223a1 2004 Nissan 350z Radio Wiring Diagram Wiring Library

How To Nissan 350z Stereo Wiring Diagram My Pro Street

Diagram 68 Ford Galaxie Wiring Diagram Wiring Diagram

How To Nissan 350z Stereo Wiring Diagram My Pro Street

1993 Nissan Wiring Harness Diagram Diagram Base Website Harness

How To Nissan 350z Stereo Wiring Diagram My Pro Street

1993 Nissan Wiring Harness Diagram Diagram Base Website Harness

Nissan Xterra 08 2008 Factory Car Stereo Wiring Installation

350z How To S Dash Removal

Download Nissan Maxima Stereo Wiring Diagram Wiring Diagram

Nissan 350z Wiring Diagram Wiring Diagram

Nissan 370z Radio Wiring Diagram Diagram Base Website Wiring

2008 Nissan 350z Fuse Box Diagram Diagram Base Website Box Diagram

08 Nissan Pathfinder Wiring Diagram Wiring Diagram

How To Nissan 350z Stereo Wiring Diagram My Pro Street

Yz 4508 Fan Relay Diagram Wiring Harness Wiring Diagram Wiring

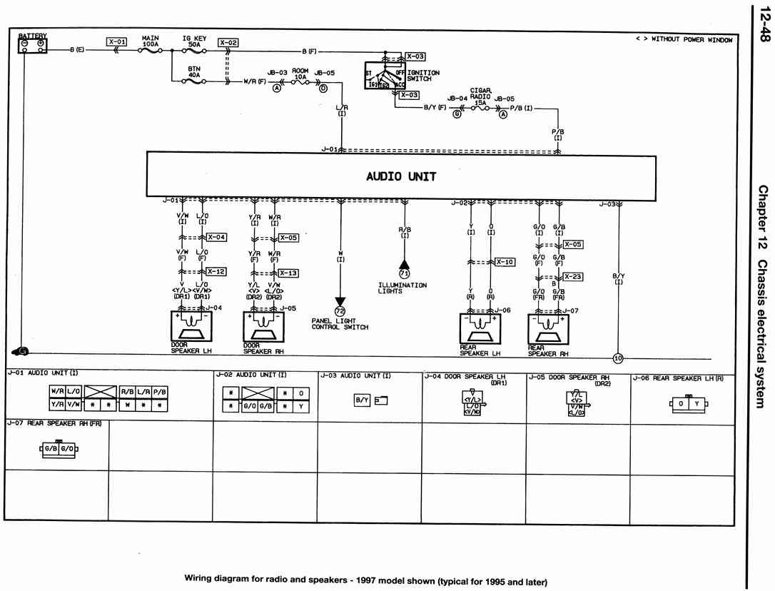
Car Audio Wiring Diagram Mazda Radio Stereo Diagram Base Website

2008 Nissan 350z Fuse Box Diagram Diagram Base Website Box Diagram

1996 Nissan Maxima Car Stereo Wiring Diagram Diagram Base Website

Diagram 2001 Nissan Sentra Stereo Wiring Diagram Wiring Diagram

Https Encrypted Tbn0 Gstatic Com Images Q Tbn 3aand9gcqkxniuuzaxz9vvs5ehxj00k8neurpjhtpexpdp7aymuuwvaavs Usqp Cau

Fobx7byposzjwm

1996 200sx Wiring Diagrams Wiring Diagram

0cab 04 Nissan Murano Fuse Box Wiring Library

2006 350z Bose Full Wiring Diagram My350z Com Nissan 350z And

Car Audio Wiring Diagram Mazda Radio Stereo Diagram Base Website

How To Nissan 350z Stereo Wiring Diagram My Pro Street

2005 Nissan 350z Stereo Wiring Diagram Diagram Base Website Wiring

34l34p 3 Way Switch Wiring 2014 Lancer Wiring Diagram Hd

Nissan 350z 2003 Fuse Box Block Circuit Breaker Diagram Carfusebox

1993 Nissan Wiring Harness Diagram Diagram Base Website Harness

Nissan 350z Stereo Wiring Diagram Diagram Base Website Wiring

Bose Amplifier Working In Infiniti G35 W Pioneer Z110bt And Metra

1996 Nissan Maxima Car Stereo Wiring Diagram Diagram Base Website

How To Chevy Tahoe Stereo Wiring Diagram My Pro Street

1996 Nissan Maxima Car Stereo Wiring Diagram Diagram Base Website

571d8e1 Nissan Qashqai Radio Wiring Diagram Wiring Resources

2008 Nissan 350z Fuse Box Diagram Diagram Base Website Box Diagram

Nissan 350z Bose Wiring Diagram Diagram Base Website Wiring

Wiring Color Code Guide For 350z My350z Com Nissan 350z And

07 Nissan 350z I Have The Lh Side Fan Working Non Stop What Is

1996 Nissan Maxima Car Stereo Wiring Diagram Diagram Base Website

How To Nissan 240sx Stereo Wiring Diagram My Pro Street

2004 Nissan 350z Bose Radio Wiring Diagram Diagram Base Website

Rtint Nissan 350z 2003 2009 Tail Light Tint Film

1

Car Application Diagrams Audiocontrol

How To Nissan 240sx Stereo Wiring Diagram My Pro Street

Aux Modified Radios Factory Radio Service Car Factory Radio

Download 2005 Pathfinder Radio Wiring Diagram Wiring Diagram

Nissan Pathfinder Radio Wiring Diagram Diagram Base Website Wiring

Nissan Pathfinder Radio Wiring Diagram Diagram Base Website Wiring

Nissan Rogue Radio Wiring Diagram Free Picture Diagram Base

2008 Nissan 350z Fuse Box Diagram Diagram Base Website Box Diagram

How To Nissan 240sx Stereo Wiring Diagram My Pro Street

How To Gmc Sierra Stereo Wiring Diagram My Pro Street

How To Gmc Sierra Stereo Wiring Diagram My Pro Street

Nissan Pathfinder Radio Wiring Diagram Diagram Base Website Wiring

2008 Nissan 350z Fuse Box Diagram Diagram Base Website Box Diagram

How To Chevy Tahoe Stereo Wiring Diagram My Pro Street

How To Gmc Sierra Stereo Wiring Diagram My Pro Street

I Have A 2006 Nissan Xterra With A Basic Am Fm Cd Audio System

Car Audio Wiring Diagram Mazda Radio Stereo Diagram Base Website

Nissan Sentra Stereo Wiring Diagram My Pro Street

Download 2005 Pathfinder Radio Wiring Diagram Wiring Diagram

B1e50c Infiniti Fx35 Radio Wiring Diagram Wiring Library

2005 Nissan 350z Stereo Wiring Diagram Diagram Base Website Wiring

1993 Nissan Wiring Harness Diagram Diagram Base Website Harness

2008 Nissan 350z Fuse Box Diagram Diagram Base Website Box Diagram

Car Application Diagrams Audiocontrol

Https Encrypted Tbn0 Gstatic Com Images Q Tbn 3aand9gctxrnsvad7m0vbnpuu1qloc Vkizxccuemiwada4oq0ebo8l6wy Usqp Cau

How To Nissan 240sx Stereo Wiring Diagram My Pro Street

Car Audio Wiring Diagram Mazda Radio Stereo Diagram Base Website

Tech Tip Nissan Mil On With Dtc U 1000 Or U 1010 Stored In Ecu

How To Scion Frs Stereo Wiring Diagram My Pro Street


Related Posts

Labels

02 avalanche radio wiring diagram 03 cavalier radio wiring diagram 03 gmc yukon radio wiring diagram 03 nissan xterra radio wiring diagram 03 trailblazer radio wiring diagram 04 gmc envoy radio wiring diagram 05 chevy colorado radio wiring diagram 06 pontiac g6 radio wiring diagram 07 cobalt radio wiring diagram 07 g6 radio wiring diagram 07 pontiac g6 radio wiring diagram 08 chevy cobalt radio wiring diagram 1/4 stereo jack wiring diagram 100 amp electrical panel wiring diagram 110cc motorcycle cdi wiring diagram 12 volt points ignition wiring diagram 12v car relay wiring diagram 12v electric winch wiring diagram 13 pin car alarm wiring diagram 16 hp kohler engine wiring diagram 1969 camaro engine wiring diagram 1972 chevy c10 engine wiring diagram 1975 ford ignition wiring diagram 1979 camaro engine wiring diagram 1979 ford ignition module wiring diagram 1981 corvette radio wiring diagram 1984 corvette radio wiring diagram 1984 ford f150 engine wiring diagram 1985 corvette radio wiring diagram 1986 ford f150 engine wiring diagram 1989 ford f350 radio wiring diagram 1990 acura integra stereo wiring diagram 1990 jeep cherokee radio wiring diagram 1990 mazda miata radio wiring diagram 1990 miata ignition wiring diagram 1990 miata radio wiring diagram 1991 acura integra radio wiring diagram 1991 acura integra stereo wiring diagram 1993 ford ranger radio wiring diagram 1994 chevy silverado stereo wiring diagram 1995 camaro stereo wiring diagram 1995 chevy s10 stereo wiring diagram 1996 gmc radio wiring diagram 1996 jeep cherokee radio wiring diagram 1996 mazda miata radio wiring diagram 1997 ford f150 radio wiring diagram 1997 ford f150 stereo wiring diagram 1997 ford f350 radio wiring diagram 1997 gmc radio wiring diagram 1997 jeep cherokee radio wiring diagram 1997 toyota 4runner radio wiring diagram 1997 toyota 4runner stereo wiring diagram 1997 toyota camry stereo wiring diagram 1997 toyota rav4 radio wiring diagram 1998 chevy silverado engine wiring diagram 1998 chevy silverado radio wiring diagram 1998 dodge durango radio wiring diagram 1998 ford mustang radio wiring diagram 1998 honda civic engine wiring diagram 1998 honda civic stereo wiring diagram 1998 jeep cherokee radio wiring diagram 1998 saturn radio wiring diagram 1998 toyota 4runner radio wiring diagram 1998 toyota camry radio wiring diagram 1998 toyota corolla stereo wiring diagram 1998 toyota tacoma radio wiring diagram 1999 chevy silverado radio wiring diagram 1999 chevy silverado stereo wiring diagram 1999 chevy tahoe radio wiring diagram 1999 dodge durango radio wiring diagram 1999 dodge durango stereo wiring diagram 1999 dodge ram stereo wiring diagram 1999 f350 radio wiring diagram 1999 ford f150 stereo wiring diagram 1999 ford f250 radio wiring diagram 1999 ford mustang radio wiring diagram 1999 ford radio wiring diagram 1999 ford ranger radio wiring diagram 1999 jeep cherokee radio wiring diagram 1999 mazda miata radio wiring diagram 1999 mitsubishi eclipse radio wiring diagram 1999 toyota 4runner radio wiring diagram 1999 toyota camry stereo wiring diagram 1999 toyota corolla stereo wiring diagram 1jz engine wiring diagram 1kz engine ecu wiring diagram 1kz engine wiring diagram 1kz engine wiring diagram pdf 1nz engine wiring diagram 1nz engine wiring diagram pdf 2 channel car amp wiring diagram 2 channel car amplifier wiring diagram 2 stroke engine wiring diagram 2 way alarm for motorcycle diagram 2 way electrical switch wiring diagram 20 hp kohler engine wiring diagram 200 amp electrical panel wiring diagram 2000 acura integra radio wiring diagram 2000 cadillac escalade radio wiring diagram 2000 cavalier radio wiring diagram 2000 chevy cavalier radio wiring diagram 2000 chevy cavalier stereo wiring diagram 2000 chevy radio wiring diagram 2000 chevy s10 stereo wiring diagram 2000 chevy silverado stereo wiring diagram color code 2000 chevy tahoe radio wiring diagram 2000 chevy tahoe stereo wiring diagram 2000 chrysler sebring radio wiring diagram 2000 delco radio wiring diagram 2000 dodge durango radio wiring diagram 2000 dodge durango stereo wiring diagram 2000 dodge ram stereo wiring diagram 2000 ford f250 radio wiring diagram 2000 ford f350 radio wiring diagram 2000 ford mustang radio wiring diagram 2000 gmc yukon radio wiring diagram 2000 honda civic radio wiring diagram 2000 honda civic stereo wiring diagram 2000 jeep cherokee radio wiring diagram 2000 mercedes ml320 radio wiring diagram 2000 mitsubishi eclipse radio wiring diagram 2000 mitsubishi eclipse stereo wiring diagram 2000 nissan xterra radio wiring diagram 2000 pontiac sunfire stereo wiring diagram 2000 subaru radio wiring diagram 2000 toyota 4runner radio wiring diagram 2000 toyota 4runner stereo wiring diagram 2000 toyota camry radio wiring diagram 2000 toyota corolla radio wiring diagram 2000 toyota tundra stereo wiring diagram 2001 chevy cavalier radio wiring diagram 2001 chevy cavalier stereo wiring diagram 2001 chevy impala radio wiring diagram 2001 chevy radio wiring diagram 2001 chevy silverado radio wiring diagram 2001 chevy tahoe radio wiring diagram 2001 chevy tahoe stereo wiring diagram 2001 delco radio wiring diagram 2001 dodge cummins engine wiring diagram 2001 dodge durango radio wiring diagram 2001 dodge durango stereo wiring diagram 2001 dodge ram stereo wiring diagram 2001 f350 radio wiring diagram 2001 ford f150 radio wiring diagram 2001 ford f250 radio wiring diagram 2001 ford mustang radio wiring diagram 2001 gmc yukon radio wiring diagram 2001 honda civic radio wiring diagram 2001 jeep cherokee radio wiring diagram 2001 jetta stereo wiring diagram 2001 lexus is300 radio wiring diagram 2001 mitsubishi eclipse radio wiring diagram 2001 nissan xterra radio wiring diagram 2001 pontiac sunfire stereo wiring diagram 2001 subaru forester radio wiring diagram 2001 tahoe stereo wiring diagram 2001 toyota 4runner radio wiring diagram 2001 toyota 4runner stereo wiring diagram 2001 toyota camry radio wiring diagram 2001 toyota camry stereo wiring diagram 2001 toyota corolla stereo wiring diagram 2001 toyota tacoma radio wiring diagram 2001 toyota tundra stereo wiring diagram 2001 vw jetta radio wiring diagram 2001 vw jetta stereo wiring diagram 2001 yukon radio wiring diagram 2002 4runner stereo wiring diagram 2002 bmw e46 radio wiring diagram 2002 cadillac escalade radio wiring diagram 2002 camaro stereo wiring diagram 2002 chevy avalanche radio wiring diagram 2002 chevy cavalier radio wiring diagram 2002 chevy cavalier stereo wiring diagram 2002 chevy radio wiring diagram 2002 chevy s10 stereo wiring diagram 2002 chevy silverado radio wiring diagram 2002 chevy silverado stereo wiring diagram 2002 chevy tahoe radio wiring diagram 2002 chevy tahoe stereo wiring diagram 2002 chevy trailblazer radio wiring diagram 2002 chevy trailblazer stereo wiring diagram 2002 chrysler sebring radio wiring diagram 2002 dodge durango radio wiring diagram 2002 dodge durango stereo wiring diagram 2002 escalade radio wiring diagram 2002 ford f150 radio wiring diagram 2002 ford f150 stereo wiring diagram 2002 ford f350 radio wiring diagram 2002 ford mustang radio wiring diagram 2002 ford radio wiring diagram 2002 ford ranger radio wiring diagram 2002 gmc envoy radio wiring diagram 2002 gmc yukon radio wiring diagram 2002 honda civic radio wiring diagram 2002 jetta monsoon radio wiring diagram 2002 jetta stereo wiring diagram 2002 lexus is300 radio wiring diagram 2002 mercedes ml320 radio wiring diagram 2002 mitsubishi galant stereo wiring diagram 2002 mitsubishi lancer radio wiring diagram 2002 nissan xterra radio wiring diagram 2002 saturn radio wiring diagram 2002 tahoe radio wiring diagram 2002 tahoe stereo wiring diagram 2002 toyota 4runner stereo wiring diagram 2002 toyota camry radio wiring diagram 2002 toyota camry stereo wiring diagram 2002 toyota corolla stereo wiring diagram 2002 toyota tundra stereo wiring diagram 2002 trailblazer radio wiring diagram 2002 trailblazer stereo wiring diagram 2002 vw jetta radio wiring diagram 2002 wrx radio wiring diagram 2003 avalanche radio wiring diagram 2003 bmw z4 radio wiring diagram 2003 cadillac escalade radio wiring diagram 2003 chevy avalanche bose radio wiring diagram 2003 chevy avalanche radio wiring diagram 2003 chevy cavalier radio wiring diagram 2003 chevy cavalier stereo wiring diagram 2003 chevy impala radio wiring diagram 2003 chevy malibu radio wiring diagram 2003 chevy silverado radio wiring diagram 2003 chevy silverado stereo wiring diagram 2003 chevy tahoe radio wiring diagram 2003 chevy tahoe stereo wiring diagram 2003 chevy trailblazer radio wiring diagram 2003 chevy trailblazer stereo wiring diagram 2003 chrysler sebring radio wiring diagram 2003 dodge caravan radio wiring diagram 2003 dodge durango radio wiring diagram 2003 dodge durango stereo wiring diagram 2003 ford f150 radio wiring diagram 2003 ford f250 radio wiring diagram 2003 ford ranger radio wiring diagram 2003 gm radio wiring diagram 2003 gmc envoy radio wiring diagram 2003 gmc yukon radio wiring diagram 2003 honda civic radio wiring diagram 2003 honda civic stereo wiring diagram 2003 infiniti g35 engine wiring diagram 2003 jetta stereo wiring diagram 2003 lexus is300 radio wiring diagram 2003 mitsubishi eclipse radio wiring diagram 2003 mitsubishi eclipse stereo wiring diagram 2003 mitsubishi galant stereo wiring diagram 2003 mitsubishi lancer radio wiring diagram 2003 mitsubishi lancer stereo wiring diagram 2003 mustang radio wiring diagram 2003 nissan 350z radio wiring diagram 2003 nissan 350z stereo wiring diagram 2003 nissan xterra radio wiring diagram 2003 pontiac sunfire stereo wiring diagram 2003 silverado radio wiring diagram 2003 silverado stereo wiring diagram 2003 toyota 4runner radio wiring diagram 2003 toyota camry radio wiring diagram 2003 toyota camry stereo wiring diagram 2003 toyota corolla radio wiring diagram 2003 toyota corolla stereo wiring diagram 2003 toyota tundra stereo wiring diagram 2003 trailblazer stereo wiring diagram 2003 vw jetta radio wiring diagram 2003 yukon radio wiring diagram 2004 4runner stereo wiring diagram 2004 acura tsx radio wiring diagram 2004 cadillac escalade radio wiring diagram 2004 cavalier radio wiring diagram 2004 chevy avalanche bose radio wiring diagram 2004 chevy avalanche radio wiring diagram 2004 chevy cavalier radio wiring diagram 2004 chevy cavalier stereo wiring diagram 2004 chevy colorado radio wiring diagram 2004 chevy impala radio wiring diagram 2004 chevy malibu radio wiring diagram 2004 chevy silverado radio wiring diagram 2004 chevy tahoe radio wiring diagram 2004 chevy tahoe stereo wiring diagram 2004 chevy trailblazer radio wiring diagram 2004 chevy trailblazer stereo wiring diagram 2004 chrysler sebring radio wiring diagram 2004 dodge caravan radio wiring diagram 2004 dodge durango radio wiring diagram 2004 dodge durango stereo wiring diagram 2004 envoy radio wiring diagram 2004 escalade radio wiring diagram 2004 f350 radio wiring diagram 2004 ford f150 radio wiring diagram 2004 ford f250 radio wiring diagram 2004 ford radio wiring diagram 2004 gmc envoy radio wiring diagram 2004 gmc yukon radio wiring diagram 2004 honda civic radio wiring diagram 2004 honda civic stereo wiring diagram 2004 jetta radio wiring diagram 2004 lexus is300 radio wiring diagram 2004 mazda rx8 radio wiring diagram 2004 mitsubishi eclipse radio wiring diagram 2004 mitsubishi lancer radio wiring diagram 2004 mustang radio wiring diagram 2004 nissan 350z radio wiring diagram 2004 nissan 350z stereo wiring diagram 2004 nissan sentra radio wiring diagram 2004 subaru forester radio wiring diagram 2004 toyota 4runner radio wiring diagram 2004 toyota 4runner stereo wiring diagram 2004 toyota camry radio wiring diagram 2004 toyota corolla radio wiring diagram 2004 toyota corolla stereo wiring diagram 2004 trailblazer radio wiring harness diagram 2004 vw jetta stereo wiring diagram 2005 acura tsx radio wiring diagram 2005 avalanche radio wiring diagram 2005 cadillac escalade radio wiring diagram 2005 chevy avalanche bose radio wiring diagram 2005 chevy avalanche radio wiring diagram 2005 chevy cavalier radio wiring diagram 2005 chevy cavalier stereo wiring diagram 2005 chevy cobalt radio wiring diagram 2005 chevy colorado radio wiring diagram 2005 chevy impala radio wiring diagram 2005 chevy malibu radio wiring diagram 2005 chevy radio wiring diagram 2005 chevy silverado engine wiring diagram 2005 chevy silverado stereo wiring diagram 2005 chevy tahoe radio wiring diagram 2005 chevy tahoe stereo wiring diagram 2005 chevy trailblazer radio wiring diagram 2005 chevy trailblazer stereo wiring diagram 2005 chrysler sebring radio wiring diagram 2005 dodge durango radio wiring diagram 2005 dodge durango stereo wiring diagram 2005 duramax engine wiring harness diagram 2005 escalade radio wiring diagram 2005 f150 stereo wiring diagram 2005 ford f150 stereo wiring diagram 2005 ford f250 radio wiring diagram 2005 ford radio wiring diagram 2005 gmc envoy radio wiring diagram 2005 gmc yukon radio wiring diagram 2005 honda civic radio wiring diagram 2005 honda civic stereo wiring diagram 2005 mustang radio wiring diagram 2005 nissan 350z radio wiring diagram 2005 nissan altima 2.5 s radio wiring diagram 2005 nissan altima radio wiring diagram 2005 pontiac g6 radio wiring diagram 2005 pontiac sunfire stereo wiring diagram 2005 subaru forester radio wiring diagram 2005 subaru stereo wiring diagram 2005 toyota 4runner jbl radio wiring diagram 2005 toyota 4runner radio wiring diagram 2005 toyota camry radio wiring diagram 2005 toyota camry stereo wiring diagram 2005 toyota corolla radio wiring diagram 2005 toyota corolla stereo wiring diagram 2005 trailblazer radio wiring diagram 2005 trailblazer stereo wiring diagram 2005 vw jetta stereo wiring diagram 2006 acura tsx radio wiring diagram 2006 chevy cobalt radio wiring diagram 2006 chevy colorado radio wiring diagram 2006 chevy hhr radio wiring diagram 2006 chevy impala radio wiring diagram 2006 chevy malibu radio wiring diagram 2006 chevy radio wiring diagram 2006 chevy silverado radio wiring diagram 2006 chevy silverado stereo wiring diagram 2006 chevy trailblazer radio wiring diagram 2006 chevy trailblazer stereo wiring diagram 2006 chrysler sebring radio wiring diagram 2006 cobalt radio wiring diagram 2006 dodge caravan radio wiring diagram 2006 dodge durango radio wiring diagram 2006 dodge durango stereo wiring diagram 2006 dodge ram stereo wiring diagram 2006 f350 radio wiring diagram 2006 ford f150 radio wiring diagram 2006 ford f350 radio wiring diagram 2006 ford fusion radio wiring diagram 2006 ford fusion stereo wiring diagram 2006 ford mustang radio wiring diagram 2006 gmc envoy radio wiring diagram 2006 gmc radio wiring diagram 2006 hhr radio wiring diagram 2006 hilux radio wiring diagram 2006 honda civic radio wiring diagram 2006 honda civic stereo wiring diagram 2006 jeep radio wiring diagram 2006 jetta radio wiring diagram 2006 mitsubishi eclipse radio wiring diagram 2006 mitsubishi lancer radio wiring diagram 2006 mitsubishi lancer stereo wiring diagram 2006 nissan 350z radio wiring diagram 2006 nissan 350z stereo wiring diagram 2006 nissan altima radio wiring diagram 2006 nissan xterra radio wiring diagram 2006 pontiac g6 radio wiring diagram 2006 tacoma radio wiring diagram 2006 toyota 4runner radio wiring diagram 2006 toyota 4runner stereo wiring diagram 2006 toyota camry stereo wiring diagram 2006 toyota corolla stereo wiring diagram 2006 toyota tundra stereo wiring diagram 2006 trailblazer stereo wiring diagram 2006 vw jetta stereo wiring diagram 2007 acura tsx radio wiring diagram 2007 cadillac escalade radio wiring diagram 2007 camry jbl stereo wiring diagram 2007 chevy avalanche radio wiring diagram 2007 chevy cobalt radio wiring diagram 2007 chevy colorado radio wiring diagram 2007 chevy hhr radio wiring diagram 2007 chevy impala radio wiring diagram 2007 chevy malibu radio wiring diagram 2007 chevy radio wiring diagram 2007 chevy silverado stereo wiring diagram 2007 chevy tahoe radio wiring diagram 2007 chevy tahoe stereo wiring diagram 2007 chevy trailblazer radio wiring diagram 2007 chevy trailblazer stereo wiring diagram 2007 chrysler sebring radio wiring diagram 2007 dodge caliber radio wiring diagram 2007 dodge caravan radio wiring diagram 2007 dodge durango radio wiring diagram 2007 dodge nitro stereo wiring diagram 2007 dodge ram stereo wiring diagram 2007 ford fusion radio wiring diagram 2007 ford ranger radio wiring diagram 2007 gmc envoy radio wiring diagram 2007 gmc yukon radio wiring diagram 2007 honda civic stereo wiring diagram 2007 mitsubishi eclipse radio wiring diagram 2007 nissan 350z radio wiring diagram 2007 pontiac g6 radio wiring diagram 2007 subaru forester radio wiring diagram 2007 tahoe radio wiring diagram 2007 toyota camry radio wiring diagram 2007 toyota hilux stereo wiring diagram 2007 toyota tacoma radio wiring diagram 2007 toyota tundra stereo wiring diagram 2007 toyota yaris radio wiring diagram 2007 yaris radio wiring diagram 2008 cadillac escalade radio wiring diagram 2008 chevy avalanche radio wiring diagram 2008 chevy cobalt radio wiring diagram 2008 chevy colorado radio wiring diagram 2008 chevy impala radio wiring diagram 2008 chevy malibu radio wiring diagram 2008 chevy radio wiring diagram 2008 chevy trailblazer radio wiring diagram 2008 chrysler sebring radio wiring diagram 2008 colorado radio wiring diagram 2008 dodge caliber radio wiring diagram 2008 dodge caravan radio wiring diagram 2008 dodge nitro stereo wiring diagram 2008 dodge ram stereo wiring diagram 2008 f250 radio wiring diagram 2008 f350 radio wiring diagram 2008 ford fusion radio wiring diagram 2008 ford fusion stereo wiring diagram 2008 ford ranger radio wiring diagram 2008 gmc envoy radio wiring diagram 2008 gmc radio wiring diagram 2008 honda civic radio wiring diagram 2008 honda civic stereo wiring diagram 2008 mitsubishi eclipse radio wiring diagram 2008 mitsubishi lancer stereo wiring diagram 2008 nissan altima radio wiring diagram 2008 nissan sentra radio wiring diagram 2008 nissan xterra radio wiring diagram 2008 pontiac g6 radio wiring diagram 2008 saturn astra radio wiring diagram 2008 toyota hilux radio wiring diagram 2008 toyota rav4 radio wiring diagram 2008 toyota tundra stereo wiring diagram 2008 toyota yaris radio wiring diagram 2008 vw jetta radio wiring diagram 2009 chevy cobalt radio wiring diagram 2009 chevy colorado radio wiring diagram 2009 chevy hhr radio wiring diagram 2009 chevy impala radio wiring diagram 2009 dodge caliber radio wiring diagram 2009 ford fusion stereo wiring diagram 2009 hhr radio wiring diagram 2009 honda civic stereo wiring diagram 2009 mitsubishi lancer stereo wiring diagram 2009 nissan altima radio wiring diagram 2009 pontiac g6 radio wiring diagram 2009 subaru forester radio wiring diagram 2009 subaru radio wiring diagram 2009 toyota camry stereo wiring diagram 2009 toyota corolla radio wiring diagram 2009 toyota rav4 radio wiring diagram 2010 camaro engine wiring diagram 2010 chevy avalanche radio wiring diagram 2010 chevy cobalt radio wiring diagram 2010 chevy hhr stereo wiring diagram 2010 chevy impala radio wiring diagram 2010 chevy malibu radio wiring diagram 2010 chrysler sebring radio wiring diagram 2010 dodge caliber radio wiring diagram 2010 dodge caravan radio wiring diagram 2010 dodge ram stereo wiring diagram 2010 f150 radio wiring diagram 2010 ford fusion radio wiring diagram 2010 ford ranger radio wiring diagram 2010 hilux radio wiring diagram 2010 mitsubishi lancer radio wiring diagram 2010 nissan altima radio wiring diagram 2010 nissan radio wiring diagram 2010 nissan sentra radio wiring diagram 2010 pontiac g6 radio wiring diagram 2010 subaru forester radio wiring diagram 2010 subaru radio wiring diagram 2010 toyota camry stereo wiring diagram 2010 toyota corolla radio wiring diagram 2010 toyota hilux stereo wiring diagram 2010 toyota rav4 radio wiring diagram 2010 toyota tundra stereo wiring diagram 2010 toyota yaris radio wiring diagram 2011 chevy colorado radio wiring diagram 2011 chevy hhr radio wiring diagram 2011 chevy malibu radio wiring diagram 2011 chevy silverado radio wiring diagram 2011 dodge caliber radio wiring diagram 2011 dodge nitro stereo wiring diagram 2011 f250 radio wiring diagram 2011 ford f150 radio wiring diagram 2011 ford fusion radio wiring diagram 2011 ford fusion stereo wiring diagram 2011 ford ranger radio wiring diagram 2011 mitsubishi lancer radio wiring diagram 2011 mitsubishi lancer stereo wiring diagram 2011 silverado radio wiring harness diagram 2011 toyota yaris radio wiring diagram 2011 vw jetta radio wiring diagram 2012 chevy colorado radio wiring diagram 2012 chevy impala radio wiring diagram 2012 chevy malibu radio wiring diagram 2012 dodge caravan radio wiring diagram 2012 dodge ram stereo wiring diagram 2012 f150 stereo wiring diagram 2012 ford fusion radio wiring diagram 2012 ford fusion stereo wiring diagram 2012 nissan altima radio wiring diagram 2012 nissan sentra radio wiring diagram 2012 nissan xterra radio wiring diagram 2012 subaru forester radio wiring diagram 2012 toyota rav4 radio wiring diagram 2012 toyota tundra stereo wiring diagram 2012 toyota yaris radio wiring diagram 2013 dodge caravan radio wiring diagram 2013 f150 stereo wiring diagram 2013 ford f150 stereo wiring diagram 2013 ford fusion stereo wiring diagram 2013 mercedes sprinter radio wiring diagram 2013 mitsubishi lancer radio wiring diagram 2013 nissan altima factory radio wiring diagram 2013 nissan altima radio wiring diagram 2013 subaru radio wiring diagram 2013 subaru wrx radio wiring diagram 2013 toyota corolla radio wiring diagram 2013 toyota tacoma radio wiring diagram 2014 dodge caravan radio wiring diagram 2014 f150 stereo wiring diagram 2014 ford fusion radio wiring diagram 2014 ford fusion stereo wiring diagram 2014 mitsubishi lancer stereo wiring diagram 2014 mitsubishi triton stereo wiring diagram 2014 nissan altima radio wiring diagram 2014 nissan sentra radio wiring diagram 2014 subaru forester radio wiring diagram 2014 toyota corolla radio wiring diagram 2014 toyota corolla stereo wiring diagram 2014 toyota hilux stereo wiring diagram 2014 toyota rav4 radio wiring diagram 2015 ford f250 radio wiring diagram 2015 ford transit radio wiring diagram 2015 nissan altima radio wiring diagram 2015 nissan sentra radio wiring diagram 2015 subaru forester radio wiring diagram 2015 tacoma radio wiring diagram 2015 toyota corolla radio wiring diagram 2015 toyota tacoma radio wiring diagram 2015 vw jetta radio wiring diagram 2015 wrx radio wiring diagram 2016 brz radio wiring diagram 2016 chevy malibu radio wiring diagram 2016 ford f150 radio wiring diagram 2016 ford fusion radio wiring diagram 2016 ford transit radio wiring diagram 2016 mercedes sprinter radio wiring diagram 2016 nissan sentra radio wiring diagram 2016 wrx radio wiring diagram 2017 camaro stereo wiring diagram 2017 mercedes sprinter radio wiring diagram 2017 mitsubishi lancer radio wiring diagram 2017 nissan sentra radio wiring diagram 2017 ram promaster radio wiring diagram 2017 subaru wrx radio wiring diagram 2017 wrx radio wiring diagram 2018 ford transit radio wiring diagram 2018 nissan sentra radio wiring diagram 2018 ram promaster radio wiring diagram 2018 subaru wrx radio wiring diagram 2018 toyota rav4 radio wiring diagram 2018 wrx radio wiring diagram 2019 ford fusion radio wiring diagram 2019 ford transit radio wiring diagram 2019 jetta stereo wiring diagram 2019 mercedes sprinter radio wiring diagram 2019 sprinter radio wiring diagram 2019 tacoma radio wiring diagram 2019 toyota rav4 radio wiring diagram 2019 wrx radio wiring diagram 2020 tacoma radio wiring diagram 22 hp predator engine wiring diagram 220 electrical wiring diagram 22r toyota igniter wiring diagram 22re engine wiring diagram 22re engine wiring harness diagram 24 volt electric scooter wiring diagram 240sx ignition switch wiring diagram 240sx ignition wiring diagram 240sx radio wiring diagram 240sx stereo wiring diagram 240v electric heater wiring diagram 240z ignition wiring diagram 240z radio wiring diagram 25 hp kohler engine wiring diagram 27 hp kohler engine wiring diagram 2jz engine wiring diagram 2jzgte igniter wiring diagram 3 gang electrical box wiring diagram 3 phase electrical panel wiring diagram 3 way electrical switch wiring diagram 3 wire electric fence wiring diagram 3 wire electric stove wiring diagram 3 wire electrical outlet wiring diagram 3.5 mm stereo jack wiring diagram 3.5 mm stereo jack wiring diagram 4 pole 3.5 mm stereo jack wiring diagram with mic 3.5mm stereo plug wiring diagram 3000gt ignition wiring diagram 3000gt radio wiring diagram 3000gt stereo wiring diagram 300zx ignition switch wiring diagram 300zx ignition wiring diagram 300zx radio wiring diagram 300zx stereo wiring diagram 350z bose stereo wiring diagram 350z engine wiring harness diagram 350z ignition coil wiring diagram 350z ignition switch wiring diagram 350z ignition wiring diagram 350z radio wiring diagram 350z stereo wiring diagram 350z stock radio wiring diagram 36 volt electric bike wiring diagram 36 volt electric scooter wiring diagram 36v club car battery wiring diagram 3rd gen 4runner stereo wiring diagram 3s-fe engine control wiring diagram 4 channel car amp wiring diagram 4 channel car amplifier wiring diagram 4 pin ignition module wiring diagram 4 pin motorcycle cdi wiring diagram 4.3 mercruiser engine wiring diagram 400ex ignition wiring diagram 48 volt electric scooter wiring diagram 48 volt electric scooter wiring diagram owner's manual 48v club car battery wiring diagram 48v club car battery wiring diagram 48 volt 48v electric bike wiring diagram 49cc engine wiring diagram 49cc scooter ignition wiring diagram 4age engine wiring diagram 4age toyota igniter wiring diagram 4g15 engine wiring diagram 4jx1 engine wiring diagram 5 channel car amp wiring diagram 5 pin car relay wiring diagram 5 prong ignition switch wiring diagram 5.3 vortec engine wiring harness diagram 5.7 vortec engine wiring harness diagram 50cc engine wiring diagram 5th gen 4runner stereo wiring diagram 5vz engine 5vz fe wiring diagram 5vz engine wiring diagram 6 channel car amplifier wiring diagram 6.0 powerstroke engine wiring harness diagram 65 mustang engine wiring diagram 68 camaro engine wiring diagram 7 band car equalizer wiring diagram 7 pin car trailer wiring diagram 7 pin ignition module wiring diagram 7 pin trailer electrical wiring diagram 7 way electric brake wiring diagram 7.3 idi engine wiring diagram 7010b radio wiring diagram 7010b stereo wiring diagram 7012b radio wiring diagram 8th gen civic radio wiring diagram 93 ford radio wiring diagram 94 miata radio wiring diagram 94 s10 stereo wiring diagram 95 miata radio wiring diagram 96 miata radio wiring diagram 97 camaro stereo wiring diagram 98 chevy radio wiring diagram 98 dodge ram stereo wiring diagram 98 jeep cherokee radio wiring diagram 99 dodge durango stereo wiring diagram 99 tahoe stereo wiring diagram above ground pool electrical wiring diagram ac compressor electrical wiring diagram ac electric drill wiring diagram ac electric motor wiring diagram ac electrical wiring diagram acura integra radio wiring diagram ae86 radio wiring diagram aftermarket car alarm wiring diagram air conditioner car ac wiring diagram pdf alarm motorcycle diagram alarm system for motorcycle diagram allanson ignition transformer wiring diagram alpine car stereo wiring diagram alpine radio wiring diagram alpine stereo wiring diagram alternator circuit car alternator wiring diagram amana electric dryer wiring diagram amp meter wiring diagram for car amp wiring diagram car amplifier car equalizer wiring diagram amplifier wiring diagram car audio ancheer electric bike wiring diagram apartment electrical wiring diagram astra h radio wiring diagram astra j radio wiring diagram astra radio wiring diagram au falcon radio wiring diagram audi a3 8p stereo wiring diagram audi a3 stereo wiring diagram audi a4 b7 stereo wiring diagram audi a4 b8 stereo wiring diagram audi a4 stereo wiring diagram audi a6 c5 stereo wiring diagram audi stereo wiring diagram audi tt mk1 stereo wiring diagram audi tt mk2 stereo wiring diagram audi tt stereo wiring diagram audio wiring e46 radio wiring diagram audio wiring nissan radio wiring diagram auto electrical wiring diagram auto electrical wiring diagram free download auto electrical wiring diagram manual auto electrical wiring diagram pdf auto electrical wiring diagram software auto electrical wiring diagram symbols automotive car wiring diagram symbols automotive electrical wiring schematic diagrams base engineering wiring diagrams basement electrical wiring diagram basic auto electrical wiring diagram basic car ac system wiring diagram basic car ac wiring diagram basic car aircon wiring diagram basic car alternator wiring diagram basic car audio wiring diagram basic car battery wiring diagram basic car radio wiring diagram basic car stereo wiring diagram basic car subwoofer wiring diagram basic car wiring diagram basic car wiring diagram pdf basic diesel engine wiring diagram basic electric heater wiring diagram basic electrical outlet wiring diagram basic electrical wiring diagram basic electrical wiring diagram house basic electrical wiring diagram house pdf basic electrical wiring diagram pdf basic electrical wiring diagram symbols basic engine wiring diagram basic home electrical wiring diagram basic honda motorcycle wiring diagram basic motorcycle brake light wiring diagram basic motorcycle cdi wiring diagram basic motorcycle electrical wiring diagram basic motorcycle engine diagram basic motorcycle engine parts diagram basic motorcycle headlight relay wiring diagram basic motorcycle headlight wiring diagram basic motorcycle parts diagram basic motorcycle wiring diagram basic motorcycle wiring diagram pdf basic race car wiring diagram basic radio wiring diagram basic simple car wiring diagram basic simple motorcycle wiring diagram bathroom electrical wiring diagram battery operated motorcycle diagram battery operated motorcycle headlight wiring diagram battery operated motorcycle wiring diagram bedroom electrical wiring diagram bedroom room electrical wiring diagram beetle engine wiring diagram berlingo radio wiring diagram biondo electric shifter wiring diagram bmw 1 series stereo wiring diagram bmw e30 radio wiring diagram bmw e34 radio wiring diagram bmw e36 radio wiring diagram bmw e36 stereo wiring diagram bmw e39 radio wiring diagram bmw e39 stereo wiring diagram bmw e46 engine wiring diagram bmw e46 engine wiring harness diagram bmw e46 radio wiring diagram bmw e46 stereo wiring diagram bmw e53 radio wiring diagram bmw e60 radio wiring diagram bmw e90 base stereo wiring diagram bmw e90 professional radio wiring diagram bmw e90 radio wiring diagram bmw e90 stereo wiring diagram bmw motorcycle parts diagram bmw motorcycle wiring diagram bmw professional radio wiring diagram bmw radio wiring diagram bmw stereo wiring diagram bmw x5 e53 radio wiring diagram bmw x5 e53 stereo wiring diagram bmw x5 stereo wiring diagram bmw z3 radio wiring diagram boat engine wiring diagram boat radio wiring diagram boat stereo amp wiring diagram boat stereo wiring diagram bosch ignition module wiring diagram bose car amplifier wiring diagram boss car stereo wiring diagram boss marine radio wiring diagram boss radio wiring diagram boss radio wiring harness diagram boss stereo wiring diagram brz radio wiring diagram brz stereo wiring diagram buick enclave radio wiring diagram buick lesabre radio wiring diagram buick lucerne radio wiring diagram buick radio wiring diagram buick rendezvous radio wiring diagram building electrical wiring diagram building electrical wiring diagram symbols bus electrical wiring diagram c3 corvette radio wiring diagram c3 radio wiring diagram c4 corvette radio wiring diagram c5 corvette radio wiring diagram c6 corvette radio wiring diagram ca18det engine wiring diagram cadillac radio wiring diagram camaro stereo wiring diagram camper electrical wiring diagram camper stereo wiring diagram camper van electrical wiring diagram campervan electrical installation wiring diagram campervan electrical wiring diagram camry radio wiring diagram capacitor car audio wiring diagram car 2 channel amp wiring diagram car ac compressor wiring diagram car ac fan wiring diagram car ac pressure switch wiring diagram car ac relay wiring diagram car ac switch wiring diagram car ac system wiring diagram car ac thermostat wiring diagram car ac wiring diagram car ac wiring diagram pdf car aerial wiring diagram car air horn wiring diagram car aircon compressor wiring diagram car aircon electrical wiring diagram car aircon thermostat wiring diagram car aircon wiring diagram car aircon wiring diagram pdf car alarm wiring diagram car alarm wiring diagram toyota car alternator wiring diagram car alternator wiring diagram pdf car ammeter wiring diagram car amp wiring diagram car amplifier car amp wiring diagram car amplifier subwoofer wiring diagram car amplifier wiring diagram car amplifier wiring diagram installation car audio 2 amp wiring diagram car audio amp wiring diagram car audio equalizer wiring diagram car audio subwoofer wiring diagram car audio system car equalizer wiring diagram car audio tweeter wiring diagram car audio wiring diagram car audio wiring diagrams multiple amps car basic ignition wiring diagram car battery wiring diagram car blower fan wiring diagram car brake light switch wiring diagram car brake light wiring diagram car brake wiring diagram car cng kit wiring diagram car condenser fan wiring diagram car cooling fan wiring diagram car crossover wiring diagram car deck wiring diagram car distributor wiring diagram car dome light wiring diagram car door light switch wiring diagram car door lock wiring diagram car door switch wiring diagram car door wiring diagram car dynamo wiring diagram car electric aerial wiring diagram car electric fan wiring diagram car electric window wiring diagram car electrical wiring diagram car electrical wiring diagram pdf car electrical wiring diagram symbols car electrical wiring diagrams pdf car equalizer wiring diagram car fan switch wiring diagram car fan wiring diagram car fog light wiring diagram car generator wiring diagram car hauler trailer wiring diagram car hauler wiring diagram car headlight bulb wiring diagram car headlight headlight relay wiring diagram car headlight wiring diagram car horn relay wiring diagram car horn wiring diagram car horn wiring diagram with relay car ignition coil wiring diagram car ignition key wiring diagram car ignition kill switch wiring diagram car ignition switch wiring diagram car ignition system wiring diagram car ignition wiring diagram car immobilizer wiring diagram car interior light wiring diagram car inverter wiring diagram car led light wiring diagram car led wiring diagram car light wiring diagram car mate trailer wiring diagram car power amplifier wiring diagram car power inverter wiring diagram car powered subwoofer wiring diagram car preamp wiring diagram car radiator fan wiring diagram car radio wiring diagram car radio wiring diagram pdf car radio wiring harness diagram car relay wiring diagram car reverse light wiring diagram car signal light wiring diagram car simple headlight wiring diagram car solenoid wiring diagram car sound wiring diagram car speaker amp wiring diagram car spotlight wiring diagram car spotlight wiring diagram uk car starter motor wiring diagram car starter wiring diagram car stereo amp wiring diagram car stereo amplifier wiring diagram car stereo capacitor wiring diagram car stereo car amplifier wiring diagram installation car stereo hyundai stereo wiring diagram car stereo pioneer radio wiring diagram car stereo pioneer wiring harness diagram car stereo plug wiring diagram car stereo speaker wiring diagram car stereo subwoofer wiring diagram car stereo toyota radio wiring diagram pdf car stereo wiring diagram car stereo wiring diagram boss car stereo wiring diagram dual car stereo wiring diagram jvc car stereo wiring diagram kenwood car stereo wiring diagram pioneer car stereo wiring diagram toyota car stereo wiring diagram with amp car stereo wiring harness diagram car sub and amp wiring diagram car sub wiring diagram car subwoofer amp wiring diagram car subwoofer wiring diagram car tachometer wiring diagram car tail light wiring diagram car thermostat wiring diagram car trailer electric brake wiring diagram car trailer lights wiring diagram car trailer plug wiring diagram car trailer socket wiring diagram car trailer wiring diagram car trailer wiring diagram uk car trailer wiring diagram with brakes car tweeter wiring diagram car winch wiring diagram car wiring diagram symbols car wiring harness diagram caravan electrical wiring diagram carburetor electric choke wiring diagram carrier electric furnace wiring diagram caterpillar 3116 marine engine wiring diagram caterpillar radio wiring diagram cavalier stereo wiring diagram cb radio antenna wiring diagram cb radio microphone wiring diagram cb radio wiring diagram cdi circuit diagram motorcycle cdi diagram for motorcycle cdi honda motorcycle wiring diagram cdi motorcycle electrical diagram cdi motorcycle ignition coil wiring diagram cdi motorcycle wiring diagram cdi motorcycle wiring diagram pdf cdi wiring diagram motorcycle ce lancer stereo wiring diagram century electric motor wiring diagram charging system car alternator wiring diagram chevrolet stereo wiring diagram chevy 350 engine wiring diagram chevy 6.0 engine wiring harness diagram chevy cavalier radio wiring diagram chevy cobalt radio wiring diagram chevy cobalt stereo wiring diagram chevy colorado stereo wiring diagram chevy cruze stereo wiring diagram chevy hhr radio wiring diagram chevy hhr stereo wiring diagram chevy malibu stereo wiring diagram chevy radio wiring diagram chevy s10 stereo wiring diagram chevy silverado stereo wiring diagram chevy stereo wiring diagram chicago electric winch wiring diagram chinese electric scooter wiring diagram chinese motorcycle tachometer wiring diagram chinese motorcycle wiring diagram chinese motorcycle wiring diagram pdf chrysler 200 radio wiring diagram chrysler 300 radio wiring diagram chrysler 300c radio wiring diagram chrysler infinity amp wiring diagram car chrysler pacifica radio wiring diagram chrysler radio wiring diagram chrysler radio wiring harness diagram chrysler sebring radio wiring diagram circuit diagram electric drill switch wiring diagram circuit electrical interlocking wiring diagram circuit electrical wiring diagram pdf citroen berlingo radio wiring diagram citroen c3 radio wiring diagram civic radio wiring diagram clarion car radio wiring diagram clarion car stereo wiring diagram clarion marine radio wiring diagram clarion marine stereo wiring diagram clarion proton waja radio wiring diagram clarion radio wiring diagram clarion radio wiring diagram code clarion stereo wiring diagram classic car wiring diagram clio mk3 radio wiring diagram club car battery wiring diagram club car battery wiring diagram 36 volt club car battery wiring diagram 48 volt club car headlight wiring diagram club car ignition wiring diagram club car light wiring diagram club car light wiring diagram 48 volt club car solenoid wiring diagram club car starter wiring diagram club car wiring harness diagram coil simple engine wiring diagram coleman electric furnace wiring diagram color code alpine stereo wiring diagram color code car stereo wiring diagram color code mitsubishi radio wiring diagram color code nissan radio wiring diagram color code nissan stereo wiring diagram color code pioneer stereo wiring diagram color code radio wiring harness diagram color code toyota 4runner radio wiring diagram columbia par car wiring diagram complete car audio wiring diagram connection nemtek electric fence wiring diagram connector jvc car stereo wiring diagram corolla toyota electrical wiring diagram corsa c radio wiring diagram corsa d radio wiring diagram corsa radio wiring diagram crane electrical wiring diagram crossover car audio wiring diagram crossover car speaker wiring diagram crusader engine wiring diagram crutchfield stereo wiring diagram crutchfield wiring diagram radio crx radio wiring diagram crx stereo wiring diagram cummins engine wiring diagram cycle electric generator wiring diagram d16y8 engine wiring harness diagram daimler chrysler radio wiring diagram db electrical alternator wiring diagram dc cdi motorcycle wiring diagram dea500 radio wiring diagram deh pioneer radio wiring diagram delco electronics radio wiring diagram delco radio wiring diagrams delco stereo wiring diagram delphi dea500 radio wiring diagram delphi delco electronics radio wiring diagram delphi delco radio wiring diagram delphi radio wiring diagram delphi stereo wiring diagram deta electrical wiring diagram deutz engine alternator wiring diagram deutz engine wiring diagram diagram aftermarket radio wiring harness color code diagram basic motorcycle parts name diagram car stereo wiring harness color codes diagram cdi ignition system motorcycle diagram electric board wiring image diagram ford stereo wiring color code diagram honda motorcycle parts names pdf diagram mercedes radio wiring color codes diagram motorcycle magneto ignition system diagram toyota stereo wiring colours diesel engine 7.3 powerstroke wiring diagram diesel engine starter wiring diagram diesel engine stop motor wiring diagram diesel engine tachometer wiring diagram diesel diesel engine wiring diagram diesel engine wiring diagram pdf digital electric meter wiring diagram dimplex electric fireplace wiring diagram dirt track race car wiring diagram dixon car radio wiring diagram dodge caliber radio wiring diagram dodge caliber stereo wiring diagram dodge caravan radio wiring diagram dodge dakota stereo wiring diagram dodge durango stereo wiring diagram dodge magnum stereo wiring diagram dodge ram 1500 stereo wiring diagram dodge ram 2500 stereo wiring diagram dodge ram stereo wiring diagram dodge stereo wiring diagram domestic electric fence wiring diagram domestic electrical wiring diagram domestic electrical wiring diagram pdf dometic electric awning wiring diagram double electrical outlet wiring diagram drag car wiring diagram dual axle electric brake wiring diagram dual bluetooth radio wiring diagram dual bt radio wiring diagram dual car battery wiring diagram dual car radio wiring diagram dual car stereo wiring diagram dual car stereo wiring harness diagram dual double din radio wiring diagram dual radio wiring diagram dual stereo deck wiring diagram dual stereo wiring diagram dual stereo wiring harness diagram dual touch screen radio wiring diagram duraspark ignition module wiring diagram dyna s ignition wiring diagram harley e28 stereo wiring diagram e30 radio wiring diagram e36 engine wiring harness diagram e36 radio wiring diagram e36 stereo wiring diagram e39 radio wiring diagram e39 stereo wiring diagram e46 engine wiring harness diagram e46 m3 radio wiring diagram e46 radio wiring diagram e46 stereo wiring diagram e53 radio wiring diagram eclipse radio wiring diagram eclipse stereo wiring diagram edelbrock carb electric choke wiring diagram edelbrock electric choke wiring diagram electric 240v water heater wiring diagram electric aerial wiring diagram electric air horn wiring diagram electric antenna wiring diagram electric awning wiring diagram electric baseboard heater thermostat wiring diagrams electric baseboard heater wiring diagram electric baseboard wiring diagram electric bell wiring diagram electric bike battery wiring diagram electric bike controller wiring diagram electric bike wiring diagram electric bike wiring diagram pdf electric blanket wiring diagram electric board wiring connection diagram electric board wiring diagram electric boat horn wiring diagram electric brake controller wiring diagram australia electric brake wiring diagram electric brake wiring diagram australia electric brake wiring diagram trailer electric brewery wiring diagram electric car aerial wiring diagram electric car charger wiring diagram electric car charging point wiring diagram electric car fan wiring diagram electric car wiring diagram electric choke wiring diagram electric clark forklift wiring diagram electric clothes dryer wiring diagram electric club car wiring diagram electric clutch wiring diagram electric cooker cooker switch socket wiring diagram electric cooker wiring diagram electric cord wiring diagram electric cutout wiring diagram electric door bell wiring diagram electric door strike wiring diagram electric drill switch wiring diagram electric drill wiring diagram electric dryer ge appliance wiring diagrams electric dryer plug wiring diagram electric dryer wiring diagram electric dryer wiring diagram for whirlpool dryer heating element electric exhaust cutout wiring diagram electric fence wiring diagram electric fence wiring diagram pdf electric fireplace heater wiring diagram electric fireplace wiring diagram electric forklift wiring diagram electric forklift wiring diagram pdf electric furnace wiring diagram electric furnace wiring diagram sequencer electric gate intercom wiring diagram electric gate motor wiring diagram electric gate wiring diagram electric generator wiring diagram electric guitar wiring diagram electric guitar wiring diagram three pickup electric guitar wiring diagram two pickup electric guitar wiring diagrams and schematics electric heater wiring diagram electric hinge wiring diagram electric hoist single phase hoist wiring diagram electric hoist wiring diagram electric horn wiring diagram electric hot water heater wiring diagram electric iron wiring diagram electric kiln kiln wiring diagram electric life power window wiring diagram electric light switch wiring diagram electric light wiring diagram electric light wiring diagram australia electric light wiring diagram uk electric meter box wiring diagram electric meter wiring diagram electric meter wiring diagram uk electric motor wiring diagram electric motor wiring diagram 110 to 220 electric motor wiring diagram 3 phase electric motor wiring diagram single phase electric motor wiring diagram symbols electric oven bosch oven wiring diagram electric oven electric stove wiring diagram electric oven element wiring diagram electric oven heating element wiring diagram electric oven thermostat wiring diagram electric oven wiring diagram electric oven wiring diagram pdf electric pto clutch wiring diagram electric range wiring diagram electric rc car wiring diagram electric rc plane wiring diagram electric recliner wiring diagram electric rice cooker wiring diagram electric scooter electric bike wiring diagram electric scooter wiring diagram electric scooter wiring diagram owner's manual electric scooter wiring diagram pdf electric shifter wiring diagram electric shower switch wiring diagram electric shower wiring diagram electric space heater wiring diagram electric stove infinite switch wiring diagram electric stove outlet wiring diagram electric stove stove switch wiring diagrams electric stove wiring diagram electric strike lock wiring diagram electric strike wiring diagram electric sub meter wiring diagram electric switch board wiring diagram electric tarp switch wiring diagram electric tarp wiring diagram electric toy car wiring diagram electric vehicle charging station wiring diagram electric vehicle wiring diagram electric water heater thermostat wiring diagram electric water heater wiring diagram electric wheelchair wiring diagram electric winch wiring diagram electrical 3 way switch wiring diagram pdf electrical alternator control panel wiring wiring diagram for 220 volt submersible pump electrical blower motor relay wiring diagram electrical box wiring diagram electrical breaker box wiring diagram electrical circuit diagram house wiring electrical circuit simple house wiring diagram electrical circuit stahl hoist wiring diagram electrical club car wiring diagram 48 volt electrical conduit wiring diagram electrical contactor wiring diagram electrical control panel wiring diagram electrical control panel wiring diagram pdf electrical control wiring diagram electrical db wiring diagram electrical disconnect wiring diagram electrical doorbell wiring diagram electrical double switch wiring diagram electrical engineering electrical wiring diagram symbols electrical engineering wiring diagram electrical engineering wiring diagram pdf electrical extension box wiring diagram electrical interlock wiring diagram electrical junction box wiring diagram electrical light socket wiring diagram electrical loop wiring diagram electrical mcb wiring diagram electrical meter box wiring diagram electrical motor control panel wiring diagram electrical outlet wiring diagram electrical panel box wiring diagram electrical panel wiring diagram electrical panel wiring diagram pdf electrical panel wiring diagram software electrical panel wiring diagram symbols electrical plug wiring diagram electrical receptacle wiring diagram electrical relay wiring diagram electrical series wiring diagram electrical service wiring diagram electrical single phase starter wiring diagram electrical socket wiring diagram electrical socket wiring diagram uk electrical solar net metering wiring diagram electrical switch board wiring diagram electrical switch wiring diagram electrical switchboard wiring diagram electrical terminal block wiring diagram electrical transformer wiring diagram electrical vfd control wiring diagram electrical wall outlet wiring diagram electrical wiring 3 wire plug diagram electrical wiring carel controller wiring diagram electrical wiring circuit diagram electrical wiring club car wiring diagram gas electrical wiring diagram home electrical wiring diagram legend electrical wiring diagram of 2 bedroom flat electrical wiring diagram of 3 bedroom flat electrical wiring diagram of 3 bedroom flat pdf electrical wiring diagram outlet electrical wiring diagram plan electrical wiring diagram residential electrical wiring diagram simulator for car electrical wiring diagram simulator for motorcycle electrical wiring diagram standards electrical wiring diagrams light switch electrical wiring home diagram electrical wiring honda motorcycle wiring diagrams pdf electrical wiring hot spring spa wiring diagram electrical wiring ladder diagram electrical wiring parallel diagram electrical wiring schematic diagram electrical wiring simple engine wiring diagram electrical wiring suzuki motorcycle wiring diagram electrical wiring toyota land cruiser electrical diagram electrical wiring toyota wiring diagram color codes electrical wiring tunnel wiring circuit diagram electrical wiring wiring diagram for mobile home furnace electricity home wiring diagram elevator electrical wiring diagram emerson electric motor wiring diagram engine 66 mustang wiring diagram engine control toyota 89661 wiring diagram engine control wiring diagram engine cooling fan relay wiring diagram engine run stand wiring diagram engine stand wiring diagram engine starter wiring diagram engine test stand wiring diagram engine toyota igniter wiring diagram engine wiring diagram engine wiring harness diagram engineering wiring diagrams equalizer wiring diagram car eurovox radio wiring diagram ezgo marathon electric wiring diagram f150 radio wiring diagram f250 radio wiring diagram factory car audio wiring diagrams factory radio wiring diagram factory toyota corolla radio wiring diagram factory wiring mitsubishi stereo wiring diagram female stereo jack wiring diagram fiero radio wiring diagram fiero stereo wiring diagram floor plan home electrical wiring diagrams ford 4.6 engine wiring diagram ford ba falcon stereo wiring diagram ford duraspark ignition wiring diagram ford electronic ignition wiring diagram ford engine run stand wiring diagram ford engine test stand wiring diagram ford escort radio wiring diagram ford f150 engine wiring harness diagram ford f150 radio wiring harness diagram ford f150 stereo wiring diagram ford f250 stereo wiring diagram ford factory radio wiring diagram ford fiesta mk6 stereo wiring diagram ford fiesta mk7 stereo wiring diagram ford focus stereo wiring diagram ford ignition control module wiring diagram ford ignition module wiring diagram ford ignition switch wiring diagram ford ignition wiring diagram ford points ignition wiring diagram ford radio wiring diagram ford radio wiring diagram download ford radio wiring harness diagram ford ranger electric brake wiring diagram ford ranger ignition wiring diagram ford ranger radio wiring diagram ford ranger stereo wiring diagram ford ranger stereo wiring harness diagram ford sony radio wiring diagram ford stereo wiring diagram ford territory stereo wiring diagram ford tractor ignition switch wiring diagram ford transit electrical diagram wiring schematic ford transit radio wiring diagram four way electrical switch wiring diagram franklin electric control box wiring diagram franklin electric motor wiring diagram franklin electric submersible pump wiring diagram franklin electric well pump wiring diagram franklin electric wiring diagram free chrysler radio wiring diagram freego electric bike wiring diagram freightliner cascadia radio wiring diagram freightliner m2 radio wiring diagram freightliner radio wiring diagram freightliner stereo wiring diagram frigidaire electric range wiring diagram frs stereo wiring diagram fusion marine radio wiring diagram fusion marine stereo wiring diagram fusion radio wiring diagram fusion stereo wiring diagram g35 engine wiring harness diagram g35 stereo wiring diagram gas club car solenoid wiring diagram gas columbia par car wiring diagram gasoline engine club car wiring diagram gas gate opener electric gate wiring diagram ge electric range wiring diagram ge electric stove wiring diagram gem car battery wiring diagram general electric ac motor wiring diagram general electric blower motor wiring diagram general electric dryer wiring diagrams general electric ge dryer wiring diagram general electric motor wiring diagram general electric refrigerator wiring diagrams general electric stove wiring diagram general electric wiring diagram gm delco radio wiring diagram gm factory radio wiring diagram gm points ignition wiring diagram gm radio wiring diagram gm radio wiring harness diagram gm stereo wiring diagram gm stereo wiring harness diagram gmc envoy radio wiring diagram gmc radio wiring diagram gmc savana radio wiring diagram gmc sierra stereo wiring diagram gmc stereo wiring diagram gmc terrain radio wiring diagram golf cart light wiring diagram golf mk4 stereo wiring diagram goodman electric furnace wiring diagram gy6 150cc engine wiring diagram gy6 electric choke wiring diagram gy6 engine wiring diagram h3 hummer radio wiring diagram harley davidson ignition switch wiring diagram harley davidson ignition wiring diagram harley davidson motorcycle parts diagram harley davidson radio wiring diagram harley evo ignition wiring diagram harley ignition coil wiring diagram harley ignition module wiring diagram harley ignition switch wiring diagram harley ignition wiring diagram harley radio wiring diagram harley stereo wiring diagram harness nissan radio wiring diagram harness pioneer radio wiring diagram hatz diesel engine wiring diagram hdb electrical wiring diagram head light car headlight wiring diagram head unit mitsubishi mitsubishi stereo wiring diagram head unit nissan stereo wiring diagram head unit subaru radio wiring diagram head unit toyota stereo wiring diagram hhr radio wiring diagram hhr stereo wiring diagram hid wiring diagram for motorcycle hilux radio wiring diagram hilux stereo wiring diagram hino radio wiring diagram hino truck radio wiring diagram hobby caravan electrical wiring diagram holden astra stereo wiring diagram holden barina stereo wiring diagram holden captiva stereo wiring diagram holden colorado stereo wiring diagram holden commodore vz stereo wiring diagram holden hz engine wiring diagram holley electric choke wiring diagram home electric board wiring diagram home electrical house wiring diagram software home electrical panel wiring diagram home electrical wiring diagram pdf home electrical wiring diagram symbols home electrical wiring diagrams pdf home stereo home speaker wiring diagram home stereo wiring diagram honda 300 fourtrax ignition wiring diagram honda 400ex ignition wiring diagram honda accord radio wiring diagram honda accord stereo wiring diagram honda car stereo wiring diagram honda city stereo wiring diagram honda civic 2001 radio wiring diagram honda civic 2010 radio wiring diagram honda civic radio wiring diagram honda civic stereo wiring diagram honda crv 2003 stereo wiring diagram honda crv radio wiring diagram honda crv stereo wiring diagram honda del sol radio wiring diagram honda element radio wiring diagram honda element stereo wiring diagram honda foreman ignition switch wiring diagram honda jazz radio wiring diagram honda jazz stereo wiring diagram honda motorcycle carburetor diagram honda motorcycle diagram honda motorcycle electrical diagram honda motorcycle electrical wiring diagram honda motorcycle engine diagram honda motorcycle fuel line diagram honda motorcycle ignition coil wiring diagram honda motorcycle ignition switch wiring diagram honda motorcycle parts diagram honda motorcycle parts diagram online honda motorcycle parts list diagram honda motorcycle wiring diagram honda motorcycle wiring diagram symbols honda motorcycle wiring diagrams pdf honda odyssey stereo wiring diagram honda outboard ignition switch wiring diagram honda radio wiring diagram honda radio wiring harness diagram honda rancher 350 ignition wiring diagram honda recon ignition switch wiring diagram honda s2000 radio wiring diagram honda simple motorcycle wiring diagram honda stereo wiring diagram hotpoint electric stove wiring diagram house electric meter box wiring diagram house electric wiring diagram house electrical outlet wiring diagram house electrical panel wiring diagram house electrical socket wiring diagram house electrical switchboard wiring diagram house electrical wiring circuit diagram household electrical wiring diagram howhit 150cc engine wiring diagram howhit engine wiring diagram humbucker electric guitar wiring diagram hummer h2 radio wiring diagram husqvarna motorcycle parts diagram hyundai accent stereo wiring diagram hyundai getz stereo wiring diagram hyundai i20 stereo wiring diagram hyundai santa fe stereo wiring diagram hyundai sonata stereo wiring diagram hyundai stereo wiring diagram hyundai tucson stereo wiring diagram hz engine wiring diagram ibanez electric guitar wiring diagrams ignition coil wiring diagram ford ignition coil wiring diagram points ignition harley sportster wiring diagram ignition honda main relay wiring diagram ignition honda wiring diagram ignition interlock device intoxalock wiring diagram ignition interlock device wiring diagram ignition interlock wiring diagram ignition module toyota igniter wiring diagram ignition module wiring diagram ignition relay starter relay wiring diagram ignition relay wiring diagram ignition simple motorcycle wiring diagram ignition solenoid wiring diagram ignition switch relay wiring diagram ignition switch simple engine wiring diagram ignition switch suzuki motorcycle wiring diagram ignition switch wiring diagram ignition switch wiring diagram chevy ignition switch wiring diagram diesel engine ignition switch wiring diagram for boat ignition switch wiring diagram for car ignition switch wiring diagram for lawn mower ignition switch wiring diagram for motorcycle ignition switch wiring diagram tractor ignition wiring simple shovelhead wiring diagram industrial electrical wiring diagram industrial electrical wiring diagram pdf industrial electrical wiring diagram software industrial electrical wiring diagram symbols infiniti g35 stereo wiring diagram infinity stereo wiring diagram inground pool electrical wiring diagram installation perodua viva radio wiring diagram integra radio wiring diagram international radio wiring diagram international truck radio wiring diagram intertherm electric furnace wiring diagram is300 radio wiring diagram is300 stereo wiring diagram iso car radio wiring diagram iso car stereo wiring diagram iso radio connector wiring diagram iso radio wiring diagram iso stereo wiring diagram isuzu car radio wiring diagram isuzu dmax radio wiring diagram isuzu kb 300 radio wiring diagram isuzu npr radio wiring diagram isuzu radio wiring diagram isuzu truck radio wiring diagram jacobs ignition wiring diagram jaguar radio wiring diagram jaguar x type radio wiring diagram jaguar x300 radio wiring diagram jbl marine radio wiring diagram jbl marine stereo wiring diagram jbl stereo wiring diagram jebson car radio wiring diagram jeep cherokee radio wiring diagram jeep commander stereo wiring diagram jeep compass radio wiring diagram jeep compass stereo wiring diagram jeep grand cherokee radio wiring diagram jeep grand cherokee stereo wiring diagram jeep jk radio wiring diagram jeep jk stereo wiring diagram jeep patriot radio wiring diagram jeep patriot stereo wiring diagram jeep radio wiring diagram jeep stereo wiring diagram jeep tj radio wiring diagram jeep tj stereo wiring diagram jeep wrangler jk stereo wiring diagram jeep wrangler radio wiring diagram jeep wrangler stereo wiring diagram jeep wrangler tj radio wiring diagram jeep xj radio wiring diagram jeep xj stereo wiring diagram jeep yj radio wiring diagram jensen radio wiring diagram jetta stereo wiring diagram john deere delco radio wiring diagram joying radio wiring diagram jvc car radio wiring diagram jvc car stereo wiring diagram jvc car stereo wiring diagram color jvc car stereo wiring harness diagram jvc double din radio wiring diagram jvc radio wiring diagram jvc radio wiring harness diagram jvc stereo wiring diagram jvc stereo wiring harness diagram k20 engine wiring diagram ka24de engine wiring diagram kancil ignition coil wiring diagram kancil ignition wiring diagram kawasaki cdi motorcycle wiring diagram kenmore electric dryer wiring diagram kenmore electric range wiring diagram kenwood aftermarket radio wiring diagram kenwood car audio wiring diagram kenwood car radio wiring diagram kenwood car stereo wiring harness diagram kenwood marine radio wiring diagram kenwood marine stereo wiring diagram kenwood radio wiring diagram kenwood radio wiring harness diagram kenworth delphi radio wiring diagram kenworth radio wiring diagram kenworth stereo wiring diagram kenworth t680 radio wiring diagram kenworth t800 radio wiring diagram kia forte radio wiring diagram kia picanto radio wiring diagram kia radio color wiring diagram kia radio wiring diagram kia rio 2013 radio wiring diagram kia rio radio wiring diagram kia rio stereo wiring diagram kia sedona radio wiring diagram kia sorento radio wiring diagram kia sorento stereo wiring diagram kia soul radio color wiring diagram kia sportage radio wiring diagram kia sportage stereo wiring diagram kia stereo wiring diagram kids electric car wiring diagram kioti tractor radio wiring diagram kit car wiring diagram kit car wiring loom diagrams kitchen electrical wiring diagram kitchen electrical wiring diagram uk kitchen layout kitchen electrical wiring diagram kohler 23 hp engine wiring diagram kohler command kohler engine wiring diagram kohler engine cv15s wiring diagram kohler engine ignition wiring diagram kohler engine wiring diagram kraco stereo wiring diagram kubota radio wiring diagram lancer radio wiring diagram lancer stereo wiring diagram land rover lr3 radio wiring diagram lawn mower simple engine wiring diagram layout car equalizer wiring diagram leeson electric motor wiring diagram les paul electric guitar wiring diagram lexus ct200h stereo wiring diagram lexus es300 radio wiring diagram lexus is 250 radio wiring diagram lexus is200 radio wiring diagram lexus is200 stereo wiring diagram lexus is300 radio wiring diagram lexus ls400 radio wiring diagram lexus ls430 radio wiring diagram lexus radio wiring diagram lexus rx 350 radio wiring diagram lexus rx300 radio wiring diagram lexus sc300 radio wiring diagram lexus stereo wiring diagram lifan 110cc engine wiring diagram lifan 125cc engine wiring diagram lifan 200cc engine wiring diagram lifan 250cc engine wiring diagram lifan engine wiring diagram lightning lab car alarm wiring diagram lincoln town car radio wiring diagram lml duramax engine wiring diagram lockwood electric strike wiring diagram loncin 110cc engine wiring diagram loncin engine wiring diagram lpg wiring diagram cars lr3 radio wiring diagram ls1 engine wiring diagram ls1 engine wiring harness diagram lt1 engine wiring diagram lt1 engine wiring harness diagram lumenition ignition wiring diagram lx450 stereo wiring diagram mack radio wiring diagram main electrical panel wiring diagram makita electric drill wiring diagram mallory electronic ignition wiring diagram mallory ignition coil wiring diagram mallory ignition wiring diagram mallory ignition wiring diagram unilite manufactured home electrical wiring diagram marathon electric motor wiring diagram marathon electric motor wiring diagram 3 phase marathon electric motors wiring diagram marathon electric wiring diagram marine electrical wiring diagram marine engine wiring diagram marine radio wiring diagram marine stereo boat stereo wiring diagram marine stereo wiring diagram marine vhf radio wiring diagram maxxima marine stereo wiring diagram mazda 2 stereo wiring diagram mazda 3 2010 radio wiring diagram mazda 3 engine wiring harness diagram mazda 3 radio wiring diagram mazda 3 stereo wiring diagram mazda 5 stereo wiring diagram mazda 6 radio wiring diagram mazda 6 stereo wiring diagram mazda 626 radio wiring diagram mazda axela stereo wiring diagram mazda b3000 radio wiring diagram mazda bravo stereo wiring diagram mazda car stereo wiring diagram mazda cx-5 radio wiring diagram mazda mx 5 stereo wiring diagram mazda mx5 radio wiring diagram mazda radio wiring diagram mazda rx8 engine wiring diagram mazda rx8 radio wiring diagram mazda stereo wiring diagram mehran car wiring diagram mehran car wiring diagram pdf mercedes benz radio wiring diagram mercedes c240 radio wiring diagram mercedes e320 radio wiring diagram mercedes radio wiring diagram mercedes slk 230 radio wiring diagram mercedes sprinter radio wiring diagram mercedes vito radio wiring diagram mercedes w203 radio wiring diagram mercedes w211 radio wiring diagram mercruiser 3.0 engine wiring diagram mercruiser 5.0 engine wiring diagram mercruiser 5.7 engine wiring diagram mercruiser 5.7 thunderbolt ignition wiring diagram mercruiser engine wiring diagram mercruiser thunderbolt ignition wiring diagram mercury thunderbolt ignition wiring diagram metra radio wiring diagram mgf radio wiring diagram miata ignition switch wiring diagram miata ignition wiring diagram miata radio wiring diagram miata stereo wiring diagram mini cooper r53 stereo wiring diagram mini cooper r56 stereo wiring diagram mini cooper stereo wiring diagram mini r56 stereo wiring diagram mitsubishi 380 stereo wiring diagram mitsubishi asx radio wiring diagram mitsubishi car stereo wiring diagram mitsubishi eclipse radio wiring diagram mitsubishi galant stereo wiring diagram mitsubishi l200 radio wiring diagram mitsubishi lancer radio wiring diagram mitsubishi lancer stereo wiring diagram mitsubishi mirage radio wiring diagram mitsubishi mirage stereo wiring diagram mitsubishi outlander radio wiring diagram mitsubishi pajero radio wiring diagram mitsubishi radio wiring diagram mitsubishi stereo wiring diagram mitsubishi triton radio wiring diagram mitsubishi triton stereo wiring diagram mk4 jetta radio wiring diagram mk4 stereo wiring diagram mk6 jetta radio wiring diagram ml triton stereo wiring diagram ml320 radio wiring diagram ml430 radio wiring diagram mn triton stereo wiring diagram mobile home electric furnace wiring diagram mobile home electrical wiring diagrams model a ford ignition wiring diagram model train engine wiring diagram monsoon radio wiring diagram monsoon stereo wiring diagram pontiac mopar 440 ignition wiring diagram mopar electronic ignition conversion wiring diagram mopar electronic ignition wiring diagram mopar ignition module wiring diagram mopar ignition switch wiring diagram mopar ignition wiring diagram mopar msd ignition wiring diagram mopar performance electronic ignition wiring diagram moped ignition wiring diagram motoplat ignition wiring diagram motorcycle 2 way alarm diagram motorcycle alarm installation diagram motorcycle alarm system diagram motorcycle alarm system wiring diagram motorcycle alarm wiring diagram motorcycle cdi diagram motorcycle cdi ignition wiring diagram motorcycle cdi unit circuit diagram motorcycle cdi unit diagram motorcycle cdi wiring diagram motorcycle electrical wiring diagram motorcycle electrical wiring diagram pdf motorcycle ignition coil diagram motorcycle ignition coil wiring diagram motorcycle ignition diagram motorcycle ignition key wiring diagram motorcycle ignition switch diagram motorcycle ignition switch wiring diagram motorcycle ignition system diagram motorcycle ignition system wiring diagram motorcycle ignition wiring diagram motorcycle parts diagram harley motorola radio wiring diagram mq triton stereo wiring diagram mr2 radio wiring diagram mr2 spyder radio wiring diagram mr2 stereo wiring diagram msd ignition wiring diagram ford multiple car amp wiring diagram multiple electrical outlet wiring diagram mustang radio wiring diagram mx5 radio wiring diagram mygig radio wiring diagram n54 engine wiring diagram na miata radio wiring diagram nb miata radio wiring diagram nemtek domestic electric fence wiring diagram nemtek electric fence wiring diagram new port engineering wiring diagram newtronic ignition wiring diagram nissan 240sx stereo wiring diagram nissan 350z bose radio wiring diagram nissan 350z radio wiring diagram nissan 350z stereo wiring diagram nissan altima radio wiring diagram nissan elgrand e51 stereo wiring diagram nissan frontier radio wiring diagram nissan hardbody radio wiring diagram nissan navara d22 stereo wiring diagram nissan navara radio wiring diagram nissan qashqai stereo wiring diagram nissan radio wiring diagram nissan sentra radio wiring diagram nissan stereo wiring diagram nissan titan stereo wiring diagram nissan xterra radio wiring diagram nissan xterra stereo wiring diagram nordyne electric furnace wiring diagram nortron electric furnace wiring diagram old school car equalizer wiring diagram oldsmobile radio wiring diagram omc 2.5 engine wiring diagram opel corsa radio wiring diagram optronic ignition lumenition wiring diagram ouku radio wiring diagram outboard engine wiring diagram pajero electrical wiring diagram pajero radio wiring diagram panasonic car radio wiring diagram panasonic radio wiring diagram par car golf cart wiring diagram par car wiring diagram pazon ignition wiring diagram pcm marine engine wiring diagram pdf toyota hilux radio wiring diagram perodua viva radio wiring diagram peterbilt 379 ignition switch wiring diagram peterbilt 379 radio wiring diagram peterbilt concert class radio wiring diagram peterbilt ignition wiring diagram peterbilt radio wiring diagram peterbilt radio wiring diagram free peterbilt stereo wiring diagram pingel electric shifter wiring diagram pioneer aftermarket radio wiring diagram pioneer bluetooth car stereo wiring diagram pioneer car audio wiring diagram pioneer car deck wiring diagram pioneer car radio wiring diagram pioneer car stereo speaker wiring diagram pioneer car stereo wiring diagram pioneer car stereo wiring diagram free pioneer car stereo wiring harness diagram pioneer double din radio wiring diagram pioneer double din stereo wiring diagram pioneer mixtrax car stereo wiring diagram pioneer mixtrax radio wiring diagram pioneer radio wiring diagram pioneer radio wiring diagram colors pioneer radio wiring harness diagram pioneer stereo wiring diagram pioneer stereo wiring harness diagram pioneer touch screen radio wiring diagram piranha electronic ignition wiring diagram piranha ignition wiring diagram pittsburgh electric hoist wiring diagram player perodua viva radio wiring diagram plc electrical wiring diagram points ignition system wiring diagram points ignition wiring diagram pontiac g5 radio wiring diagram pontiac g6 radio wiring diagram pontiac grand am radio wiring diagram pontiac grand prix radio wiring diagram pontiac radio wiring diagram pontiac solstice radio wiring diagram pontiac sunfire radio wiring diagram pontiac vibe radio wiring diagram pool electrical wiring diagram pool light swimming pool electrical wiring diagram pool pump swimming pool electrical wiring diagram porsche 944 stereo wiring diagram prado 120 stereo wiring diagram prado 150 stereo wiring diagram prado stereo wiring diagram predator 420 engine wiring diagram predator 420cc engine wiring diagram predator 670 engine wiring diagram predator engine wiring diagram prepaid electric meter wiring diagram proton clarion radio wiring diagram code pumpkin stereo wiring diagram pyle marine radio wiring diagram pyle marine stereo wiring diagram pyle radio wiring diagram quad ignition wiring diagram quadrajet electric choke wiring diagram quick car gauge wiring diagram quick car solenoid wiring diagram quick car starter solenoid wiring diagram quick car tach wiring diagram quick car wiring diagram r33 engine wiring diagram r33 radio wiring diagram r33 skyline stereo wiring diagram r33 stereo wiring diagram r53 stereo wiring diagram race car alternator wiring diagram race car kill switch wiring diagram race car relay wiring diagram race car switch panel wiring diagram race car wiring diagram radio adapter wiring diagram radio control boat wiring diagrams radio diagram wiring radio plug wiring diagram radio teleswitch wiring diagram radio wiring cadillac bose amp wiring diagram radio wiring diagram radio wiring diagram 2007 chevy silverado radio wiring diagram for 1995 gmc sierra 1500 radio wiring diagram for 2001 jeep cherokee radio wiring diagram for 2002 chevy trailblazer radio wiring diagram for 2002 nissan xterra radio wiring diagram for 2003 ford explorer radio wiring diagram for 2004 chevy silverado radio wiring diagram for 2004 chevy trailblazer radio wiring diagram for 2006 pontiac g6 radio wiring diagram for 2007 pontiac g6 radio wiring diagram for a 2006 chevy silverado radio wiring gmc truck wiring diagrams radio wiring harness diagram radio wiring jvc car stereo wiring diagram radio wiring mazda wiring diagram color codes radio wiring mitsubishi stereo wiring diagram radio wiring nissan stereo wiring diagram radio wiring subaru wiring diagram color codes radio wiring toyota jbl wiring diagram rally car wiring diagram ranger xlt ford ranger radio wiring diagram rav4 radio wiring diagram razor electric scooter wiring diagram rb20det engine wiring diagram rc car receiver wiring diagram rc car wiring diagram rcexl ignition wiring diagram rci electric strike wiring diagram reese portable electric winch wiring diagram remote car starter wiring diagram renault clio mk3 stereo wiring diagram renault clio radio wiring diagram renault clio stereo wiring diagram renault stereo wiring diagram renault trafic stereo wiring diagram res radio wiring diagram residential electric fence wiring diagram residential electric meter wiring diagram residential electrical house wiring diagram software residential electrical outlet wiring diagram residential electrical panel wiring diagram residential electrical wiring diagram symbols residential home electrical wiring diagram residential house electrical wiring diagram retrosound radio wiring diagram revtech ignition module wiring diagram revtech ignition wiring diagram rotax engine wiring diagram rsx stereo wiring diagram rugged radio wiring diagram rv electric brake wiring diagram rv electrical plug wiring diagram rv stereo wiring diagram rx8 engine wiring diagram rx8 engine wiring harness diagram rx8 radio wiring diagram s&s engine wiring diagram s10 stereo wiring diagram s13 240sx radio wiring diagram s14 ignition switch wiring diagram s14 ignition wiring diagram s14 radio wiring diagram s2000 radio wiring diagram saab 9-3 radio wiring diagram saab 9-3 stereo wiring diagram saab 9-5 stereo wiring diagram saab radio wiring diagram sailboat electrical wiring diagram samsung electric dryer wiring diagram sanji car alarm wiring diagram santro xing electrical wiring diagram saturn ion radio wiring diagram sbc engine run stand wiring diagram sbc engine wiring diagram sbc ignition wiring diagram sc300 radio wiring diagram schematic basic diesel engine wiring diagram schematic coleman electric furnace wiring diagram schematic diagram electrical wiring installation schematic diagram house electrical wiring schematic electric bike wiring diagram schematic electric gate wiring diagram schematic electric oven wiring diagram schematic electric stove wiring diagram schematic honda motorcycle wiring diagram schematic kohler engine wiring diagram schematic motorcycle cdi wiring diagram schematic pittsburgh electric hoist wiring diagram schematic rv electrical wiring diagram schematic septic tank electrical wiring diagram schematic swimming pool electrical wiring diagram schwinn s350 electric scooter wiring diagram scion frs radio wiring diagram scion radio wiring diagram scion stereo wiring diagram scion tc radio wiring diagram scion xd radio wiring diagram scooter ignition switch wiring diagram scooter ignition wiring diagram series electrical outlet wiring diagram shed electrical wiring diagram shed electrical wiring diagram uk ship electrical wiring diagram shurlok car alarm wiring diagram silverado radio wiring diagram silverado stereo wiring diagram simple basic motorcycle wiring diagram simple car aircon wiring diagram simple car audio wiring diagram simple car horn wiring diagram simple car light wiring diagram simple car stereo wiring diagram simple electrical circuit house wiring diagram simple electrical house wiring diagram software simple electrical outlet wiring diagram simple electrical wiring diagram simple electrical wiring diagram for home simple electrical wiring diagram house simple engine wiring diagram simple home electrical wiring diagram simple honda motorcycle wiring diagram simple ignition kill switch wiring diagram simple ignition switch wiring diagram simple ignition wiring diagram simple race car wiring diagram simple rc car wiring diagram simple room electrical wiring diagram single phase electric meter wiring diagram single pickup electric guitar wiring diagram single wire electric fence wiring diagram slot car controller wiring diagram slot car track wiring diagram slot car wiring diagram small engine coil wiring diagram small engine ignition coil wiring diagram small engine ignition switch wiring diagram small engine ignition wiring diagram small engine kill switch wiring diagram small engine magneto wiring diagram small engine solenoid wiring diagram small engine voltage regulator wiring diagram small engine wiring diagram smart car wiring diagram solar panel electrical wiring diagram sony aftermarket radio wiring diagram sony car deck wiring diagram sony car radio wiring diagram sony car stereo speaker wiring diagram sony car stereo wiring diagram sony car stereo wiring harness diagram sony marine radio wiring diagram sony marine stereo wiring diagram sony radio wiring diagram sony stereo wiring diagram sony xplod car radio wiring diagram sony xplod car stereo wiring diagram sony xplod radio wiring diagram sony xplod stereo wiring diagram sound system ford radio wiring diagram download soundstream radio wiring diagram speaker wiring ford f250 stereo wiring diagram split ac electrical wiring diagram sportster ignition wiring diagram sprinter radio wiring diagram spur electrical socket wiring diagram sr20det engine wiring diagram ssl radio wiring diagram steelcase electrical wiring diagram steelmate car alarm wiring diagram stereo amp wiring diagram stereo barrel jack wiring diagram stereo bmw e46 radio wiring diagram stereo capacitor wiring diagram stereo chevy radio wiring diagram stereo chevy s10 radio wiring diagram stereo connector wiring diagram stereo dodge ram 1500 wiring diagram free stereo guitar wiring diagram stereo headphone jack wiring diagram stereo headphone plug wiring diagram stereo headphone wiring diagram stereo jack socket wiring diagram stereo jack wiring diagram stereo plug wiring diagram stereo potentiometer wiring diagram stereo speaker wiring diagram stereo subaru radio wiring diagram stereo toyota 86120 wiring diagram stereo wiring diagram stereo wiring diagram for 1999 dodge ram 1500 stereo wiring diagram for 2003 chevy tahoe stereo wiring diagram for 2005 chevy trailblazer stereo wiring diagram for 2007 chevy silverado stereo wiring diagram for 2011 chevy silverado stereo wiring diagram free aftermarket radio wiring harness color code stereo wiring diagram free pioneer wiring harness color code stereo wiring diagram with amp stereo wiring dual xdm16bt wiring diagram stereo wiring harness diagram stereo wiring hyundai wiring diagrams free stock radio wiring diagram strat electric guitar wiring diagram sub car amplifier wiring diagram installation subaru brz radio wiring diagram subaru clarion radio wiring diagram subaru engine wiring diagram subaru engine wiring harness diagram subaru forester radio wiring diagram subaru forester stereo wiring diagram subaru impreza stereo wiring diagram subaru radio wiring diagram subaru stereo wiring diagram suzuki grand vitara radio wiring diagram suzuki jimny radio wiring diagram suzuki radio wiring diagram suzuki swift radio wiring diagram suzuki sx4 radio wiring diagram suzuki vitara radio wiring diagram swimming pool electrical wiring diagram switch electric fireplace wiring diagram switched electrical outlet wiring diagram system car amplifier wiring diagram installation tacoma radio wiring diagram taotao 50cc scooter ignition wiring diagram tata indigo car wiring diagram technics stereo wiring diagram tecumseh engine kill switch wiring diagram tecumseh engine wiring diagram three phase electric meter wiring diagram three way electrical switch wiring diagram thunderbolt ignition wiring diagram thunderbolt iv ignition wiring diagram thunderheart ignition wiring diagram tj radio wiring diagram touareg radio wiring diagram towing electrics limited teb7as wiring diagram towing electrics wiring diagram toyota 4k igniter wiring diagram toyota 4runner radio wiring diagram toyota avanza electrical wiring diagrams pdf toyota camry radio wiring diagram toyota camry stereo wiring diagram toyota car stereo wiring diagram toyota coaster electrical wiring diagram toyota corolla car stereo wiring diagram toyota corolla radio wiring diagram toyota corolla stereo wiring diagram toyota dyna electrical wiring diagram pdf toyota electrical wiring diagram toyota electrical wiring diagram pdf toyota estima stereo wiring diagram toyota factory radio wiring diagram toyota hiace electrical wiring diagram pdf toyota hiace stereo wiring diagram toyota hilux radio wiring diagram toyota hilux stereo wiring diagram toyota igniter wiring diagram toyota liteace electrical wiring diagram toyota mr2 radio wiring diagram toyota prado 120 stereo wiring diagram toyota prado stereo wiring diagram toyota radio wiring diagram toyota radio wiring diagram pdf toyota radio wiring harness diagram toyota rav4 radio wiring diagram toyota stereo wiring diagram toyota stereo wiring harness diagram toyota tundra stereo wiring diagram toyota yaris radio wiring diagram tp100 ignition module wiring diagram trailer electrical connector wiring diagram trailer electrical plug wiring diagram trailer electrical wiring diagram transistor radio wiring diagram transit radio wiring diagram travel trailer camper electrical wiring diagram travel trailer electric brake wiring diagram travel trailer electrical wiring diagram triton electric shower wiring diagram triton radio wiring diagram triton stereo wiring diagram triumph spitfire wiring diagram electrical schematic trx400ex honda 400ex ignition wiring diagram tsx radio wiring diagram twin engine boat wiring diagram two way alarm motorcycle diagram two way electrical switch wiring diagram typical ignition wiring diagram uconnect radio wiring diagram uhf radio wiring diagram ultima digital ignition system wiring diagram ultima electronic ignition wiring diagram ultima ignition module wiring diagram ultima ignition wiring diagram ultima single fire ignition wiring diagram universal car alarm wiring diagram ups electrical wiring diagram vauxhall astra h stereo wiring diagram vauxhall astra stereo wiring diagram vauxhall corsa stereo wiring diagram vauxhall stereo wiring diagram vauxhall vectra stereo wiring diagram vauxhall vivaro stereo wiring diagram vauxhall zafira stereo wiring diagram vdj79 radio wiring diagram ve commodore stereo wiring diagram ve stereo wiring diagram vectra c radio wiring diagram vectra c stereo wiring diagram vectra radio wiring diagram viper car alarm wiring diagram visio electrical wiring diagram visteon radio wiring diagram viva radio wiring diagram vl radio wiring diagram volkswagen radio wiring diagram volkswagen stereo wiring diagram volvo 240 engine wiring diagram volvo 240 radio wiring diagram volvo 240 stereo wiring diagram volvo 740 radio wiring diagram volvo 850 stereo wiring diagram volvo 940 radio wiring diagram volvo 940 stereo wiring diagram volvo 960 radio wiring diagram volvo d12 engine wiring diagram volvo d13 engine wiring diagram volvo radio wiring diagram volvo s40 radio wiring diagram volvo s60 radio wiring diagram volvo s60 stereo wiring diagram volvo s70 radio wiring diagram volvo stereo wiring diagram volvo v70 radio wiring diagram volvo xc90 radio wiring diagram volvo xc90 stereo wiring diagram vr commodore stereo wiring diagram vr6 engine wiring diagram vs commodore stereo wiring diagram vs stereo wiring diagram vt commodore radio wiring diagram vt commodore stereo wiring diagram vt ls1 engine wiring diagram vt radio wiring diagram vw beetle engine wiring diagram vw bug engine wiring diagram vw caddy stereo wiring diagram vw crafter stereo wiring diagram vw engine wiring diagram vw golf ignition module wiring diagram vw golf mk4 stereo wiring diagram vw golf mk5 stereo wiring diagram vw mk4 stereo wiring diagram vw monsoon radio wiring diagram vw polo stereo wiring diagram vw radio wiring diagram vw stereo wiring diagram vw t4 stereo wiring diagram vw t5 stereo wiring diagram vw t6 stereo wiring diagram vw transporter stereo wiring diagram vx commodore stereo wiring diagram vx ls1 engine wiring diagram vx stereo wiring diagram vy commodore stereo wiring diagram vy commodore stereo wiring diagram pdf vy ls1 engine wiring diagram vy stereo wiring diagram vz commodore radio wiring diagram vz commodore stereo wiring diagram vz radio wiring diagram w124 ignition wiring diagram w124 stereo wiring diagram w220 radio wiring diagram wall outlet electrical plug wiring diagram whirlpool electric dryer wiring diagram whirlpool electric oven wiring diagram whirlpool electric range wiring diagram window ac electrical wiring diagram wiring diagram 2nz fe engine manual wiring diagram 5.7 liter chevy engine diagram wiring diagram car sound system wiring diagram cdi yamaha motorcycle wiring color codes wiring diagram electric board wiring photo wiring diagram electric fence diagram circuit wiring diagram electric iron wire connection wiring diagram electric strike wiring diagram electric strike lock wiring diagram electrical dol starter wiring diagram electrical motor control wiring diagram for club car starter generator wiring diagram for electric oven and hob wiring diagram for revtech motorcycle ignition wiring diagram for uniden marine radio wiring diagram ford 3.0 v6 engine diagram wiring diagram harley 3 wire ignition switch wiring diagram mazda wl engine manual pdf wiring diagram of 3.5mm stereo headphone jack wiring diagram relay electrical symbol wiring diagram travel trailer electrical system wiring electric iron circuit diagram wiring harness 2001 chevy radio wiring diagram wiring harness 2005 nissan altima radio wiring diagram wiring harness bose car amplifier wiring diagram wiring harness car stereo wiring diagram wiring harness car wiring diagram color codes wiring harness diagram for kenwood car stereo wiring harness hyundai stereo wiring diagram wiring harness mitsubishi stereo wiring diagram wiring harness nissan stereo wiring diagram wiring harness pioneer car stereo wiring diagram wiring harness suzuki swift radio wiring diagram wiring harness toyota stereo wiring diagram wiring ship electrical system diagram wizard 4 electric fence wiring diagram wrx radio wiring diagram wrx subaru radio wiring diagram xc90 radio wiring diagram xlr stereo wiring diagram xlr to stereo jack wiring diagram xm radio wiring diagram xterra radio wiring diagram xtrons radio wiring diagram yacht electrical wiring diagram yamaha electric guitar wiring diagram yaris radio wiring diagram yj radio wiring diagram z31 radio wiring diagram z32 radio wiring diagram zj radio wiring diagram