240z Engine Wiring Diagram
10 240z Engine Wiring Diagram Engine Diagram In 2020 Datsun
Datsun 240z Wiring Diagram Diagram Base Website Wiring Diagram
1970 Datsun 240z Wiring Diagram Diagram Base Website Wiring
1970 Datsun 240z Wiring Diagram Diagram Base Website Wiring
1970 Datsun 240z Wiring Diagram Diagram Base Website Wiring
Datsun 280z Wiring Diagram Diagram Base Website Wiring Diagram
Ck 2777 280z Wiring Diagram 1978 Datsun 280z Engine Diagram 280z
Amazon Com Full Color Laminated Wiring Diagram Fits 1972 1973
Datsun 240z 1971 Fsm Supplement Dash Gauges Wiring Hvac
Yd 1484 Wiring Diagram Together With 1978 Datsun 280z Engine On
Datsun 240z 1971 Fsm Supplement Dash Gauges Wiring Hvac
Z Tech Tips Electrical Atlanticz Ca
Z Tech Tips Electrical Atlanticz Ca
Amazon Com Full Color Laminated Wiring Diagram Fits 1970 1971
Hazard Switch Brake Light Turn Signal Circuit Analysis
Datsun 240z 1971 Fsm Supplement Dash Gauges Wiring Hvac
1970 1971 Datsun 240z Color Wiring Diagram Classiccarwiring
Yd 1484 Wiring Diagram Together With 1978 Datsun 280z Engine On
Datsun 240z 1971 Fsm Supplement Dash Gauges Wiring Hvac
Datsun 240z 1971 Fsm Supplement Dash Gauges Wiring Hvac
Https Encrypted Tbn0 Gstatic Com Images Q Tbn 3aand9gcrvzpizq02mg7qlcjuxspbzvf8qckp 5ubjm06bu9hbcwudu1x6 Usqp Cau
Am 3589 Datsun 280z Wiring Diagram Moreover 1978 Datsun 280z
How To Rewire Your Datsun Z Ez Wiring Episode 2 Ignition Switch
Http Enginediagrams Info Datsun 260z Vacuum Diagram Iukcz 43562
240z Coil And Ballast Resistor Installation Help Zdriver Com
Wz 4581 300zx Engine Bay Wiring Diagram
Datsun 240z Wiring Diagram Diagram Base Website Wiring Diagram
1970 Datsun 240z 240 Z 240 Z 70 Wiring Diagram Chart Ebay
Pay 150 To Finish My L28et Wiring Houston Tx Zdriver Com
Mv 7886 Addition Datsun 240z Engine Diagram On 1969 Jaguar Xke
828 Service Manual Timing Chain Datsun 240z Free Wiring Library
240z Alternator Upgrade Woodworkerb
At 8751 240z Wiring Diagram Wiring Diagram
Diagram 77 280z Fuse Box Stahovat Fuse Box Diagramfnqvxjlims
Addition Of A Relay To A 240z Starter System
Download 77 280z Wiring Diagram Engine Hamtar Diagram Engine
Pay 150 To Finish My L28et Wiring Houston Tx Zdriver Com
240z Alternator Upgrade Woodworkerb
Yd 1484 Wiring Diagram Together With 1978 Datsun 280z Engine On
240z Alternator Upgrade Woodworkerb
Https Encrypted Tbn0 Gstatic Com Images Q Tbn 3aand9gcsyd9xuxu82qrplludhcgvnjybcwczoc1pbuareu5r3eaqgvu7r Usqp Cau
Colored Wiring Diagrams Zdriver Com
Instructions Installing The Hot Spark Ignition Conversion Kit In
Dab9fae 240z Wiring Diagram Backup Light Switch Wiring Library
Fw 8951 Rb26 Engine Diagram Free Diagram
Hyllest A Braindump Of The Projects I Ve Done Am Doing Or Am
240z Alternator Upgrade Woodworkerb
Ol 3540 Headlight Relay Wiring Diagram Wiring Schematics And
Datsun 240z 1971 Fsm Supplement Dash Gauges Wiring Hvac
6918c2 Datsun Electronic Fuel Injection Wiring Diagrams Wiring
49 Best 240z Parts Diagrams Images Datsun 240z Datsun Datsun Car
73 Datsun 240z Oem Engine Transmission Wiring Harness
Autosport Labs View Topic Datsun 240z With L28 3x 40 Dcoe
Datsun 240z Ignition Wiring Diagram Diagram Base Website Wiring
Yd 1484 Wiring Diagram Together With 1978 Datsun 280z Engine On
Cs144 Alternator Is Not Charging Battery S30 Series 240z 260z
Datsun 240z Ignition Wiring Diagram Diagram Base Website Wiring
At 8751 240z Wiring Diagram Wiring Diagram
Datsun 240z 260z 280z 280zx Wiring Diagrams Datsun Forum
1970 Datsun 240z Wiring Diagram Diagram Base Website Wiring
Https Encrypted Tbn0 Gstatic Com Images Q Tbn 3aand9gcs2zjt8uzwaek 9air4mwwtccvtu37ajfr6ki5f17 3vq7k 42t Usqp Cau
Eo 7548 240z Wiring Diagram Additionally Datsun 240z Ignition
Download 1973 240z Turn Signal Switch Wiring Diagram
Help On Key Switch Wiring Datsun Roadster Forum 311s Org
How To Rewire Your Datsun Z Car Ez Wiring Episode 1 Youtube
Datsun 240z 260z 280z Wiring Harness Nissan 280zx 300zx Wiring
Z Car Parts Diagrams For 1970 78 240z 260z 280z Z Car Parts
Mallory Unilite Hook Up Br For 72 Datsun 240z
Datsun 240z Wiring Diagram Diagram Base Website Wiring Diagram
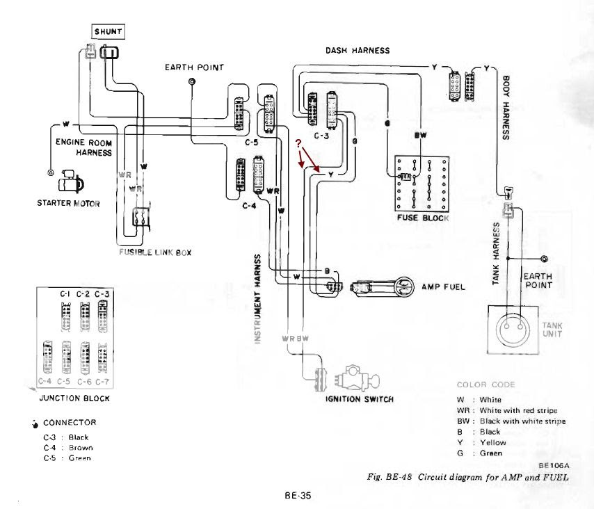
Fuel Tank Gauge The Z Club Of Great Britain
Datsun 240z S30 Service Manual Repair Manual W Solo Pdf
Tech Wiki Wiring Datsun 1200 Club
Datsun 240z 1jzgte Swap Wiring Harness Wiring Specialties
L24 Engine Diagram Wiring Diagram Beta
Datsun 240z L20a L24 Service Manual Repair Manual Wiring
Rs 0606 Addition Datsun 240z Engine Diagram On 1969 Jaguar Xke
Datsun 240z With A Turbo Vg30de Engine Swap Depot
Download 1973 240z Turn Signal Switch Wiring Diagram
Datsun 280z Engine Wiring Diagram
Nissan L Series Engine Mod Tips
Datsun 240z 1971 Fsm Supplement Dash Gauges Wiring Hvac
Motorsport Msa Fuse Box Short Pigtail 72 73 240z The Z Store
Auto Repair Tips And Tricks Every Driver Needs To Have Electric
Datsun 280z Wiring Diagram Diagram Base Website Wiring Diagram
Z Car Parts Diagrams For 1970 78 240z 260z 280z Z Car Parts
Eo 7548 240z Wiring Diagram Additionally Datsun 240z Ignition
Wiring Specialties Pro Series 240z Harness 9 Sikky Manufacturing






