Trailblazer Stereo Wiring Diagram
Stereo Wiring Harness For 2002 Trailblazer Free Download Wiring
Image Result For 2003 Chevy Trailblazer Xt Delco Radio Wiring
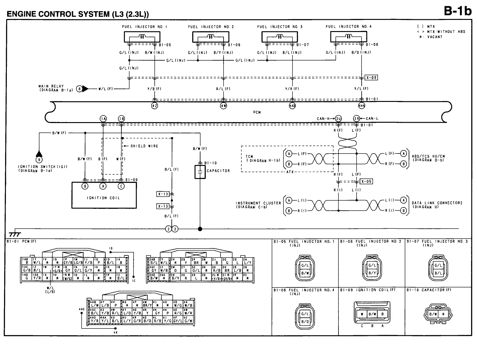
2003 Chevrolet Trailblazer Stereo Wiring Diagram Diagram Base
Chevrolet Car Radio Stereo Audio Wiring Diagram Autoradio
2004 Chevrolet Trailblazer Wiring Diagram Wiring Diagram
Rt 9519 2006 Trailblazer Audio Wiring Diagrams Download Diagram
2006 Chevrolet Trailblazer Radio Wiring E5 Wiring Diagram
F8a64f9 03 Trailblazer Radio Wiring Diagram Wiring Resources
2003 Chevrolet Trailblazer Stereo Wiring Diagram Diagram Base
Ch 9547 2002 Trailblazer Radio Wiring Diagram Free Diagram
Gx 6064 Radio Wiring Diagram On Chevy Cavalier Radio Harness
2006 Gmc Sierra Bose Radio Wiring Diagram Diagram Base Website
708c 2005 Chevy Trailblazer Stereo Wiring Diagram Wiring Library
2008 Silverado Radio Wiring Diagram 2005 Chevy Trailblazer Stereo
Chevy Impala Stereo Wiring Diagram Wiring Diagram
2003 Chevrolet Trailblazer Stereo Wiring Diagram Diagram Base
2001 Gmc Sierra Window Switch Wiring Diagram Diagram Base Website
Aftermarket Radio Install 2004 Chevrolet Trailblaz Youtube
Download 2006 Chevy Silverado Stereo Wiring Diagram Wiring Diagram
2004 Chevy Trailblazer Wiring Diagrams Diagram Base Website Wiring
2002 Trailblazer Stereo Wiring Diagram F7 Wiring Diagram
Solved Stereo Wiring Diagram For 2005 Chevy Trailblazer Fixya
2006 Trailblazer Stereo Wiring Diagram Wiring Diagram
Https Encrypted Tbn0 Gstatic Com Images Q Tbn 3aand9gcrqk5phpzo1bkijv4vuoiq0jdekiek33b3wft Xipfxkttmtxvs Usqp Cau
Need Stereo Wiring Diagram 2004 Trailblazer Fixya
2012 Impala Stereo Wiring Diagram Diagram Base Website Wiring
Stereo Wiring Diagram For 2005 Chevy Trailblazer Diagram Base
2004 Impala Wiring Harness 2004 Monte Carlo Radio Wiring Diagram
2003 Chevrolet Trailblazer Stereo Wiring Diagram Diagram Base
2012 Impala Stereo Wiring Diagram Diagram Base Website Wiring
1994 Chevy Silverado Stereo Speaker Wire Diagram Diagram Base
2005 Chevy Equinox Radio Wiring Diagram Diagram Base Website
2007 Trailblazer Radio Wiring Diagram Diagram Base Website Wiring
2006 Kia Spectra Heater Wiring Diagram Diagram Base Website Wiring
2000 Blazer Stereo Wiring Diagram Diagram Base Website Wiring
Car Radio Wiring Diagrams Diagram Base Website Wiring Diagrams
2003 Chevrolet Trailblazer Stereo Wiring Diagram Diagram Base
2007 Trailblazer Stereo Wiring Diagram Wiring Diagram
068dcc 2005 Chevrolet Trailblazer Fuse Box Layout Wiring Library
2004 Chevy Trailblazer Stereo Wiring Diagram Diagram Base Website
C40 2002 Silverado Radio Wiring Diagram Wiring Library
Download 2006 Chevy Silverado Stereo Wiring Diagram Wiring Diagram
2005 Trailblazer Radio Wiring Diagram Diagram Base Website Wiring
2002 2007 Trailblazer Remote Start Pictorial
Chevy Silverado With Bose Radio Wiring Diagram Diagram Base
Stereo Wiring Diagram For 2005 Chevy Trailblazer Diagram Base
1994 Chevy Silverado Radio Wire Diagram Diagram Base Website Wire
2005 Chevy Trailblazer Bose Radio Wiring Diagram Diagram Base
Https Encrypted Tbn0 Gstatic Com Images Q Tbn 3aand9gcrdtqkopldaqrbied7h R9m4ak1meyze1eecv4gu3sikpdgtb5n Usqp Cau
Download Icingamig Tmd Cloud Do Blandangan Subaru Car Stereo
Gm Factory Radio Wiring Diagram Diagram Base Website Wiring
1994 Chevy Silverado Radio Wire Diagram Diagram Base Website Wire
1940 Chev Car Audio Wiring Diagrams Diagram Base Website Wiring
Download 2006 Chevy Silverado Stereo Wiring Diagram Wiring Diagram
2007 Mazda 6 Radio Wiring Diagram Diagram Base Website Wiring
2006 Suburban Radio Wiring Diagram Wiring Diagram
2002 Savana Radio Wiring Diagram Diagram Base Website Wiring
2005 Chevy Trailblazer Bose Radio Wiring Diagram Diagram Base
Automotive Radio Wiring Diagram Diagram Base Website Wiring
2008 Chevy Trailblazer Radio Wiring Diagram Diagram Base Website
Diagram 2002 Chevrolet Trailblazer Radio Wiring Diagram Wiring
Chrysler Car Radio Stereo Audio Wiring Diagram Autoradio Connector
Gm Factory Radio Wiring Diagram Diagram Base Website Wiring
Diagram 2015 Chevy Silverado Stereo Wiring Diagram Scaricamento
2005 Chevy Trailblazer Bose Radio Wiring Diagram Diagram Base
1994 Chevy Silverado Radio Wire Diagram Diagram Base Website Wire
4a36c47 Wiring Diagram For 2005 Chevy Trailblazer Wiring Resources
Trailblazer Stereo Wiring Diagram Free Download Diagram Base
2014 Gm Bose Wiring Diagram Diagram Base Website Wiring Diagram
2004 Trailblazer Stereo Wiring Diagram Diagram Base Website Wiring
2000 Blazer Stereo Wiring Diagram Diagram Base Website Wiring
Automotive Radio Wiring Diagram Diagram Base Website Wiring
7 Pin Trailer Wiring Diagram Dodge Diagram Base Website Diagram
2002 C240 Mercedesbenz Radio Wiring Diagram Image Details
How To Gmc Sierra Stereo Wiring Diagram My Pro Street
Diagram 2002 Chevrolet Trailblazer Radio Wiring Diagram Wiring
Aftermarket Car Stereo Wiring Colours Explained Head Unit Wiring
Bmw E46 Radio Wiring Diagram Wiring Diagram
Gm Factory Radio Wiring Diagram Diagram Base Website Wiring
2000 Blazer Stereo Wiring Diagram Diagram Base Website Wiring
2004 Trailblazer Radio Wiring Diagram Wiring Diagram
2009 Chevy Silverado Air Conditioning Wiring Diagram Diagram Base
2007 Chevy Tahoe Stereo Wiring Harness Diagram Diagram Base
48f4b 2003 Trailblazer Stereo Wiring Diagram Wiring Library
Download 2008 Ford F150 Stereo Wiring Diagram Ladda Ned Wiring
Automotive Radio Wiring Diagram Diagram Base Website Wiring
2000 Blazer Stereo Wiring Diagram Diagram Base Website Wiring
Gm Factory Radio Wiring Diagram Diagram Base Website Wiring
2005 Chevy Trailblazer Bose Radio Wiring Diagram Diagram Base
2008 Chevy Trailblazer Stereo Wiring Diagram Diagram Base Website
E4b2 Chevrolet Trailblazer Stereo Wiring Diagram Wiring Library
2008 Gmc Canyon Radio Wiring Diagram Diagram Base Website Wiring
Jlg 20am Wiring Diagram Diagram Base Website Wiring Diagram
2002 Chevy Bose Aux Jack Install
Ford Radio Harness Diagram Diagram Base Website Harness Diagram
Chevy Silverado With Bose Radio Wiring Diagram Diagram Base
Automotive Radio Wiring Diagram Diagram Base Website Wiring
Https Encrypted Tbn0 Gstatic Com Images Q Tbn 3aand9gcrskgw0gob42c1nlqpj9rmb6hmr6icbqecqg2fhm9gheo2ncci4 Usqp Cau
Diagram 2015 Chevy Silverado Stereo Wiring Diagram Scaricamento
Ford Radio Harness Diagram Diagram Base Website Harness Diagram
2000 Blazer Stereo Wiring Diagram Diagram Base Website Wiring
Download 1996 Dodge Radio Wiring Diagram Wiring Diagram

0 Response to "Trailblazer Stereo Wiring Diagram"
Post a Comment